EasyManua.ls Logo

Jacobsen AR331 - 14.1 Engine Mounting

Jacobsen AR331
230 pages
Print Icon
To Next Page IconTo Next Page
To Next Page IconTo Next Page
To Previous Page IconTo Previous Page
To Previous Page IconTo Previous Page
Loading...
30
AR331
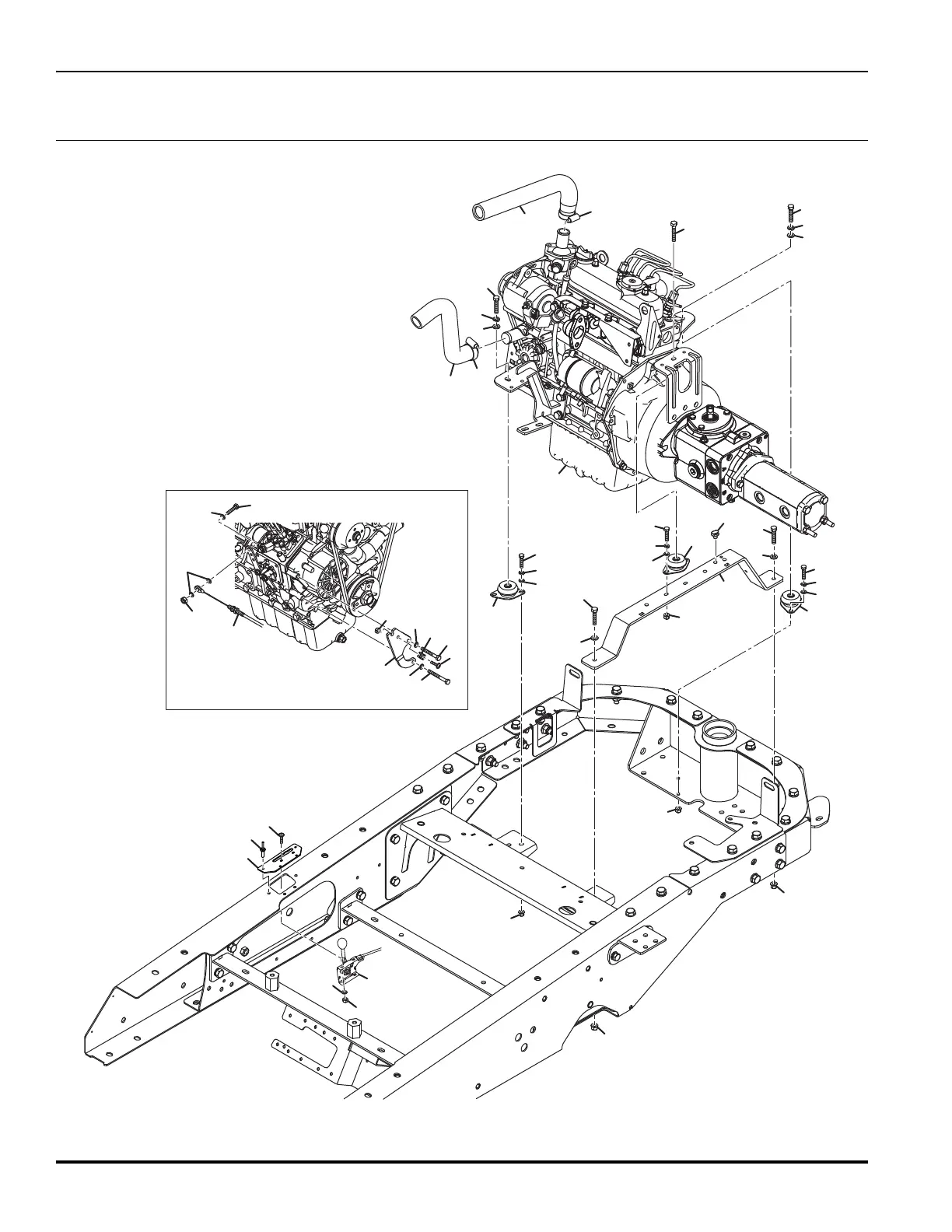
14.1 Engine Mounting
Serial No. All
1
Part of
Item 1
2
3
4
4
4
5
6
6
6
6
7
7
7
7
7
8
8
8
8
9
9
9
10
10
11
11
11
12
12
13
13
13
13
14
16
15
17
25
9
View Rotated 180° For Clarity
18
26
27
19
19
20
21
22
24
9
16
23
28

Related product manuals