EasyManua.ls Logo

Jacobsen AR331 - 24.1 Drain Hydraulics

Jacobsen AR331
230 pages
Print Icon
To Next Page IconTo Next Page
To Next Page IconTo Next Page
To Previous Page IconTo Previous Page
To Previous Page IconTo Previous Page
Loading...
50
AR331
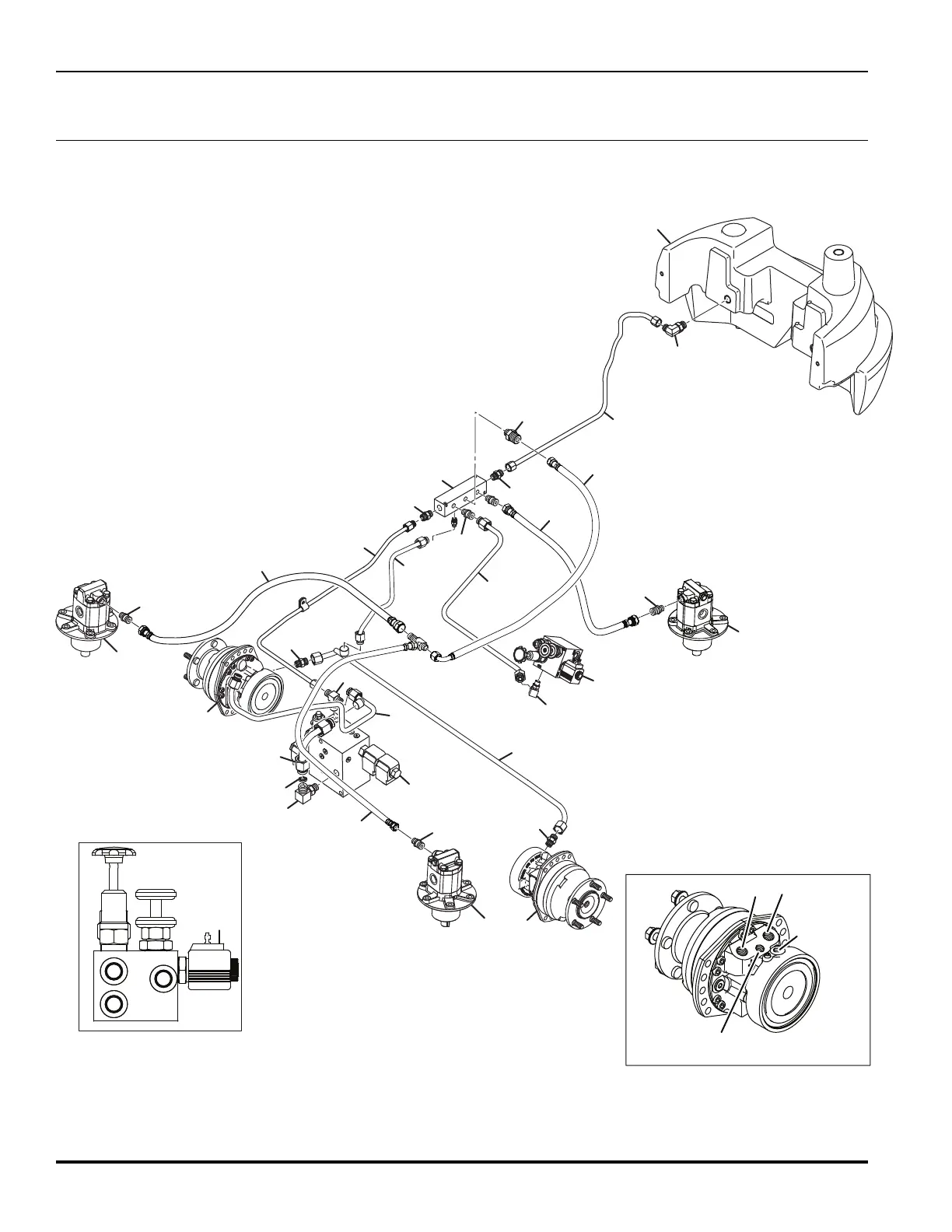
24.1 Drain Hydraulics
Serial No. All
21
22
8
23
1
Port L
Port R
Drain Tube
(Port 1)
Brake Tube
(Port X)
Brake Valve
Viewed From Bottom
CHG
DR
PB1
CHG
DR
PB1
26
2
4
17
20
16
24
3
3
7
10
11
12
13
14
9
15
20
13
25
1
18
1
23
23
23
19
5
23

Related product manuals