EasyManua.ls Logo

Jacuzzi J-315 - Page 71

Jacuzzi J-315
108 pages
Go to English
Print Icon
To Next Page IconTo Next Page
To Next Page IconTo Next Page
To Previous Page IconTo Previous Page
To Previous Page IconTo Previous Page
Loading...
71
O
3
TB1
2
1
J2
J3
F1
20A
250V
SC-20
J4
HI
LO
JP1
4
2
3
1
65
87
J20
J21
J12
J14
J16
J11
J15
J13
J17
J7 J8
J9 J10
J5
J6
F1
K1
K2
K3
K4
K5 K7 K8
J1
X
W
X
W
O
3
TB1
J6 J5
2
1
J1
J2
J3
F1
20A, 250V
SC-20
F1
JP1
4
2
3
1
6
5
87
76 24
HI
HI
LO
J20
K1
K2
K3
K4
K5
K6 K7 K8
J21
J11
J12
J13
J14
J15
J16
J17
J18
J19
J7
J8
J9
J10
J4
X
X
W
W
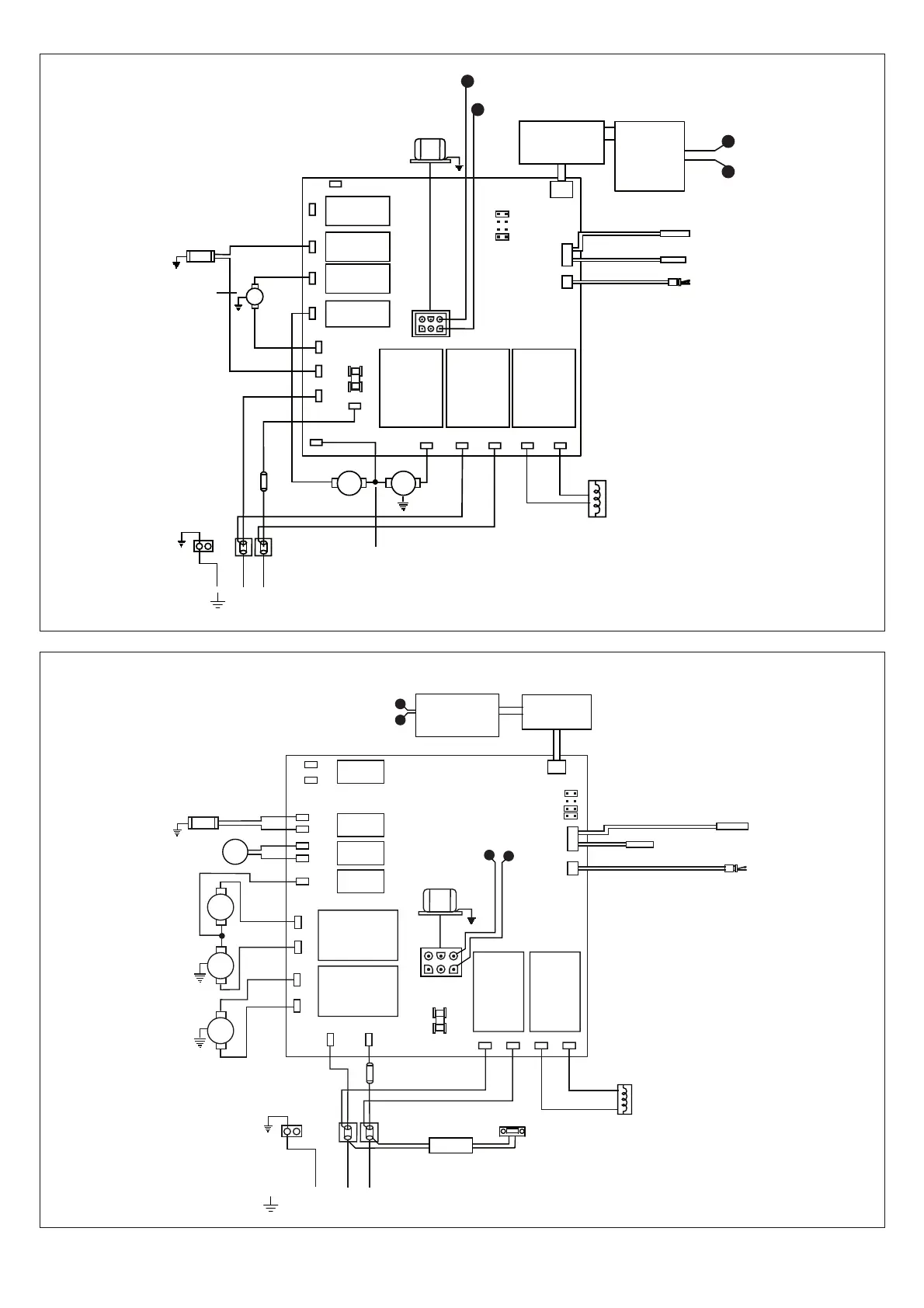
J-315/J-325
Temperaturfühler
Kontrolle der Lichter des
Wasserfalls/im Whirlpool
Begrenzungsfühler/Frostfühler
Druckwächter
Temperaturfühler
Begrenzungsfühler/Frostfühler
Druckwächter
Heizgerät
2,7 kW - 220/240V 1~ 50 Hz
Heizgerät
2,7 kW - 220/240V 1~ 50 Hz
Haupt-
pumpe
Umwälz-
pumpe
Umwälzpumpe
Pumpe 1
Pumpe 2
N
L
Bedien-
feld
Bedien-
feld
Transformator
Transformator
Ozonerzeuger
Ozonerzeuger
220/240V 1~ 50 Hz
J-335/J-345/J-355/J-365/J-375
N
L
220/240V 1~ 50 Hz
Kontrolle der Lichter des
Wasserfalls/im Whirlpool
Radio (Option)

Table of Contents

Other manuals for Jacuzzi J-315

Related product manuals