EasyManua.ls Logo

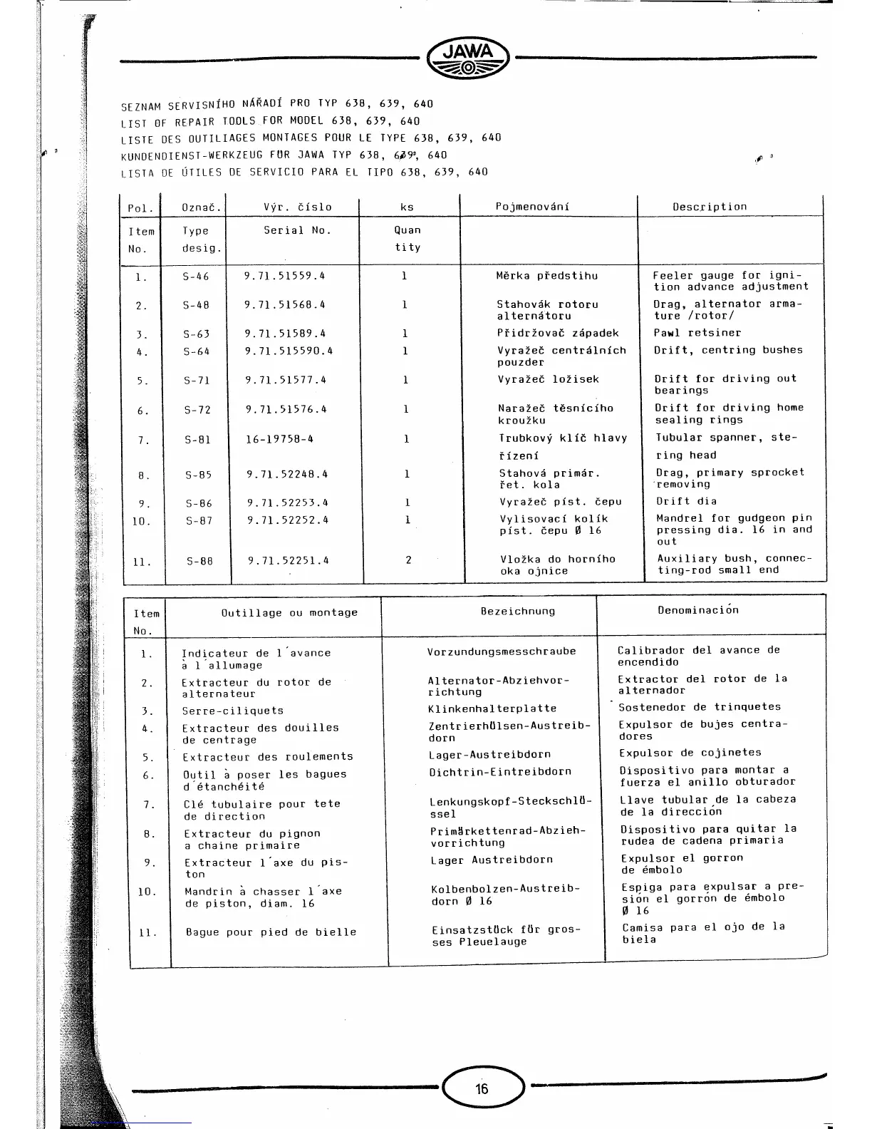
JAWA 638 - Tools and Lubricants; List of Repair Tools

JAWA 638
208 pages
Print Icon
To Next Page IconTo Next Page
To Next Page IconTo Next Page
To Previous Page IconTo Previous Page
To Previous Page IconTo Previous Page
Loading...