EasyManua.ls Logo

JBL 5231 - Electronic Schematic Diagram

JBL 5231
11 pages
Print Icon
To Previous Page IconTo Previous Page
To Previous Page IconTo Previous Page
Loading...
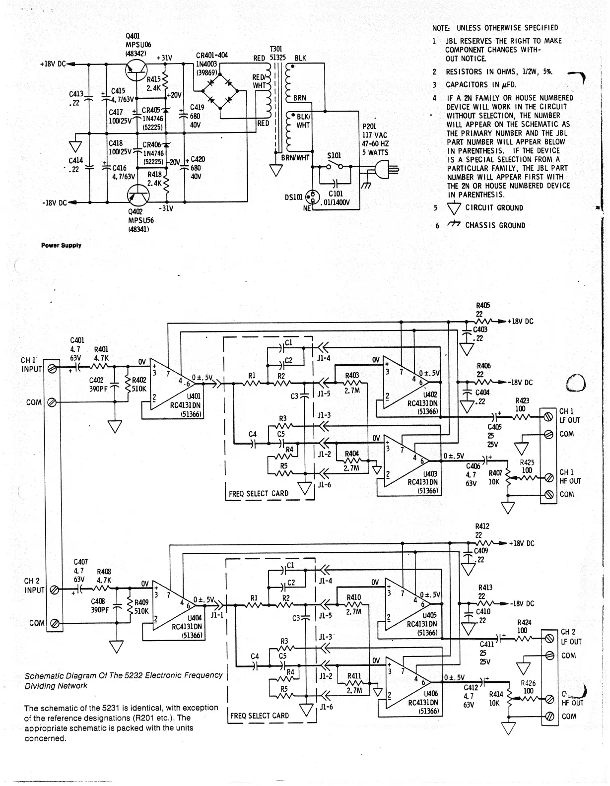
Power
Supply
Schematic
Diagram Of The 5232
Electronic
Frequency
Dividing Network
The schematic of the 5231 is identical, with exception
of the reference designations (R201 etc.). The
appropriate schematic is packed with the units
concerned.
FREQ
SELECT