EasyManua.ls Logo

JBL PRO FLORA CO2 Control - Page 4

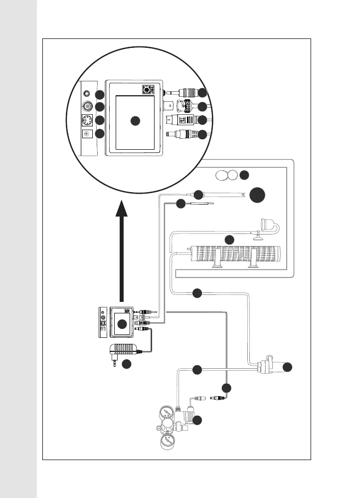
JBL PRO FLORA CO2 Control
Print Icon
To Next Page IconTo Next Page
To Next Page IconTo Next Page
To Previous Page IconTo Previous Page
To Previous Page IconTo Previous Page
Loading...
E
4
9 13 13
E
D
10
14
D
C
3
11
12
CB
A
1
B
2
!
4