EasyManua.ls Logo

JCM EBA-34 - Page 20

Default Icon
104 pages
Print Icon
To Next Page IconTo Next Page
To Next Page IconTo Next Page
To Previous Page IconTo Previous Page
To Previous Page IconTo Previous Page
Loading...
2 - 6
CHAPTER 2 Operations and Maintenance
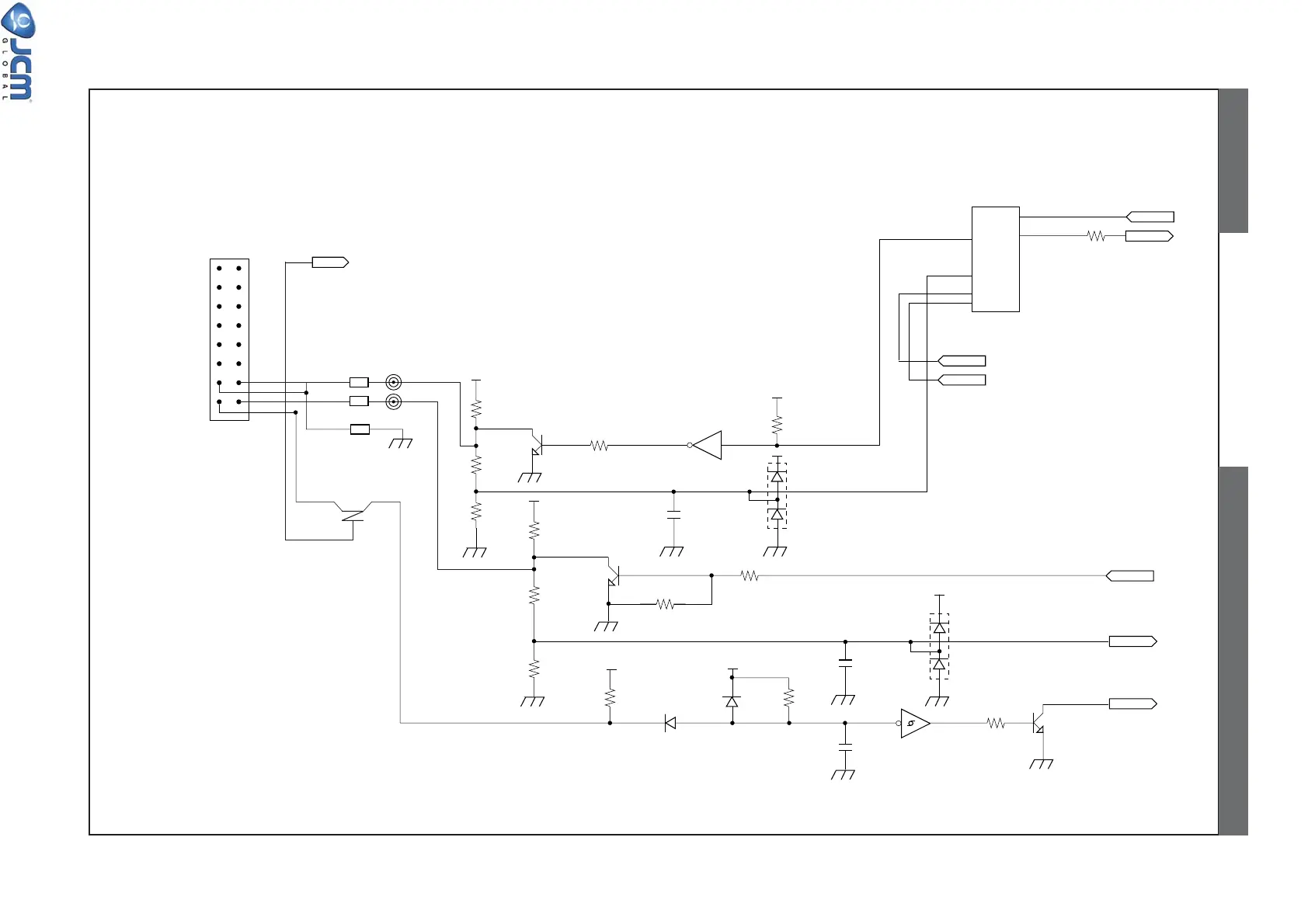
3-2-3 ID-0F3 (HII) Interface Circuit
CN2
HIIDATA
*
HIIBUSY
*
EXRES
SG
XG4C-1634
BLM18AG471SN1D
VFM41RN222N1CL
VF1
2SC2712Y
2SC2712Y
1SS226
15
F
**
F
**
IC
**
R
**
R
**
TR
**
TR20
10K
R
**
10K
C
**
D
**
1SS352
74VHC04
1SS357
D
**
D
**
1SS226
D
**
R
**
100pF
3.3K
68
13
3
10
15
9
2
X2
X
Y
Y2
A
B
16
13
2
13
14
Z
**
F
**
Z
**
+12
R
**
3.3K
D5V
D5V
D5V
D5V
R
**
22K
R
**
22K
R
**
R
**
R
**
10K
100K
+12
+12
R
**
22K
R
**
22K
C
**
100pF
C
**
100pF
74VHC14
IC
**
F
2SC2712Y
TR
**
1213
TxD0
1FSELA
1FSELB
TALK
GNDS
IC
**
E
10 11
3
3
2
1
2
RxD0
*
BUSY
*
EXRES
R
**
10K
R
**
10K
3.3K

Related product manuals