EasyManua.ls Logo

Jedia JEP-352U - Specifications and Block Diagram; Technical and General Specifications; Power Flow and Component Block Diagram

Default Icon
8 pages
Print Icon
To Next Page IconTo Next Page
To Next Page IconTo Next Page
To Previous Page IconTo Previous Page
To Previous Page IconTo Previous Page
Loading...
S
PECIFICATIONS (규격󰼿및󰼿성능)
TECHNICAL
Charging Off Aprox 27.3V DC
5
GENERAL
Charging Current 2.5A limited.
Power Consumprion 105W
Specifications and design subject is changed without notice for improvements.
(내용상의󰼿규격󰼿및󰼿특징은󰼿제품의󰼿성능󰼿향상을󰼿위하여󰼿사전󰼿예고󰼿없이󰼿변경될󰼿수󰼿있습니다.)
NOTE
Power
AC 120V/220V/230V/240V AC 50~60Hz(option)
Dimensions
Weight(kg/lbs)
Battery (option)
Built-in Battery 29/64
Not built-in Battery 11.6/25.6
483(W) x133(H) x 350(D)mm
19(W) x 5.2(H) x 13.8(D)inch
Dimensions
175(W) x 125(H) x 166(D)mm
6.9(W) x 4.9(H) x 6.5(D)inch
Capacity
12V/24AHx2
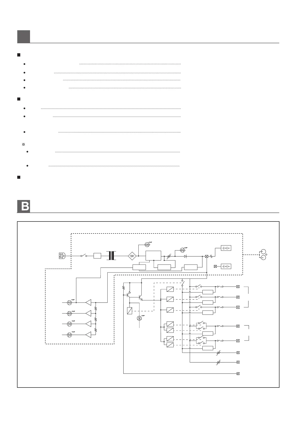
LOCK DIAGRAM (블럭도)
IN-RUSH
FU6
5
IN-RUSH
FU5
4
IN-RUSH
FU4
3
IN-RUSH
FU3
IN-RUSH
FU2
1
2
POWER
SWITCH
POWER
TRANS
AC POWER
CHARGING
IN-SIDE
BATTERY
EXTERNAL
BATTERY
AC POWER
50-60Hz
120V/ 220V/ 230V/ 240V AC
(OPTION)
CHARGING
REGULATOR
FULL
80%
60%
40%
24VDC
16A MAX
24VDC
32A MAX
+24 SWITCHED OUT
+24 UNSWITCHED OUT
POWER CONTROL OUT
DC
POWER
CHARGING
ON/OFF
CURRENT
LIMITER
IN-
RUSH
POLARITY
DETECTOR
Condition detection mode 2 Mode (POWER / AKU 40% CHECK)
POWER
CHECK
AKU 40%
CHECK
(NON PULSE)
(NON-PULSE)