EasyManua.ls Logo

Jensen CDX3119 - Wiring Diagram

Jensen CDX3119
26 pages
Print Icon
To Next Page IconTo Next Page
To Next Page IconTo Next Page
To Previous Page IconTo Previous Page
To Previous Page IconTo Previous Page
Loading...
3
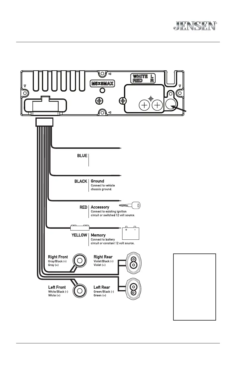
CDX3119 INSTALLATION
Wiring Diagram
FUSE
When replacing the
fuse, make sure new
fuse is the correct type
and amperage. Using
an incorrect fuse could
damage the radio.
The
10 amp AGC fuse
located beside the wiring
connector.
10 AMP
AGC Fuse
unit uses one
Antenna
Connector
Remote Turn On
Connect to amplifier or power
antenna. Insulate wire if not used.

Related product manuals