EasyManua.ls Logo

JL Audio ClenSweep CL441 dsp - Page 5

JL Audio ClenSweep CL441 dsp
16 pages
Print Icon
To Next Page IconTo Next Page
To Next Page IconTo Next Page
To Previous Page IconTo Previous Page
To Previous Page IconTo Previous Page
Loading...
JL AUDIO CleanSweepCL441dsp 5
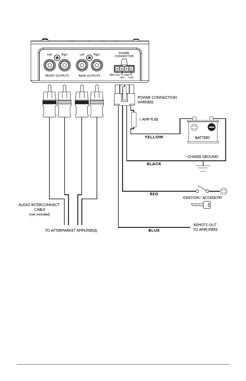
OUTPUT AND POWER CONNECTION DIAGRAM