EasyManua.ls Logo

john deer AC-70 - Illustrated Parts Breakdown and Parts List

john deer AC-70
24 pages
Print Icon
To Next Page IconTo Next Page
To Next Page IconTo Next Page
To Previous Page IconTo Previous Page
To Previous Page IconTo Previous Page
Loading...
111168-01A16
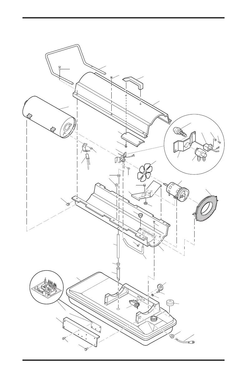
ILLUSTRATED PARTS BREAKDOWN
MODEL AC-70
1
2
3
4
5
6
7
8
9
10
11
12
13
14
15
16
17
18
19
20
21
22
23
24
25
26
27
28
29
30
34
35
36
32
33
37
9-2
9-1
9-3
9-4
9-5
9-6
41
40
39
38
31
http://www.allpartsinc.com/