EasyManua.ls Logo

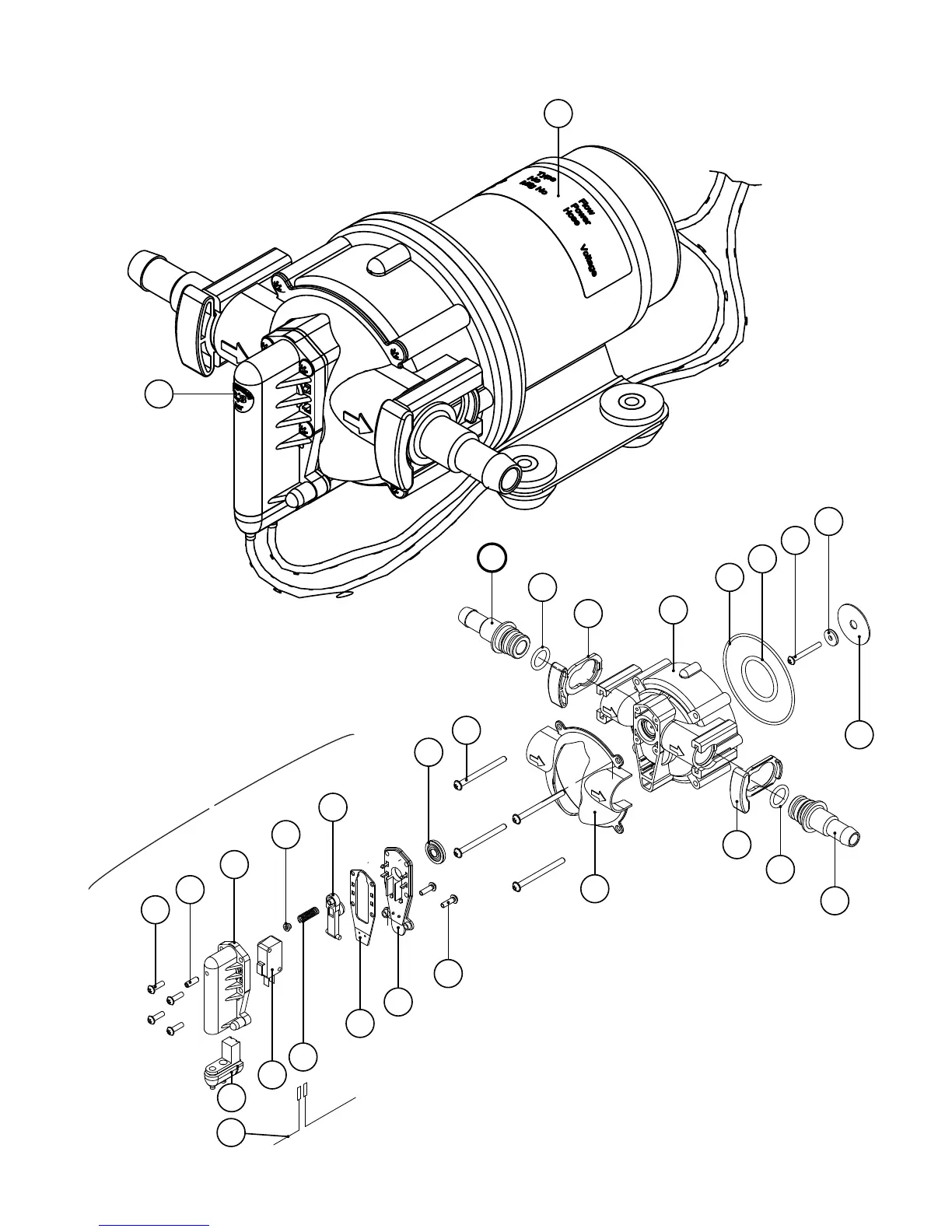
Johnson Pump WD 3.5 - WD 2.9 Exploded View; Splitview WD2.9 Diagram

Default Icon
Print Icon
To Next Page IconTo Next Page
To Next Page IconTo Next Page
To Previous Page IconTo Previous Page
To Previous Page IconTo Previous Page
Loading...
42
25
28
36
22
20
18
34
34
13
12
11
12
8
10
23
6
29
40
41
26
27
21
24
5
16
1
3
2
16
33
32
15
14
14
15
19
31
9
4
17
27
35
7
Splitview WD2.9
V
Pos. A (18-29)

Related product manuals