EasyManua.ls Logo

Johnson 40-6004 - Page 5

Johnson 40-6004
24 pages
Print Icon
To Next Page IconTo Next Page
To Next Page IconTo Next Page
To Previous Page IconTo Previous Page
To Previous Page IconTo Previous Page
Loading...
©2013 Johnson Level & Tool - Rev. 1 5
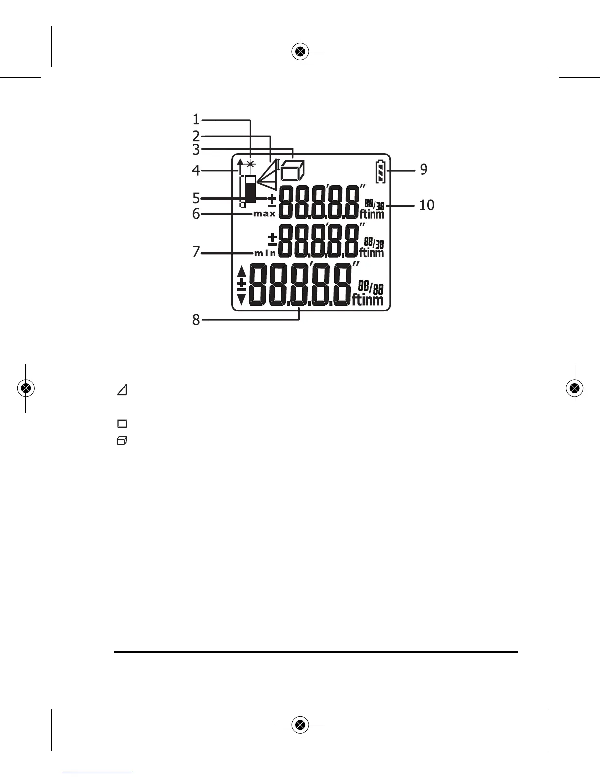
1. Active Laser Indicator
2. Indirect Measuring
Single Pythagoras
3. Measuring Function
Area Measuring
Volume Measuring
4. Measurement Reference Position
5. Add and Subtract
6. Maximum Display
7. Minimum Display
8. Main Screen and Units of Measure
9. Battery Status
10. Sub-Screen and Units
of Measure
6833H-English_Manuals 4/2/13 1:26 PM Page 5