EasyManua.ls Logo

Johnson J25ELSRM - Page 94

Johnson J25ELSRM
347 pages
Print Icon
To Next Page IconTo Next Page
To Next Page IconTo Next Page
To Previous Page IconTo Previous Page
To Previous Page IconTo Previous Page
Loading...
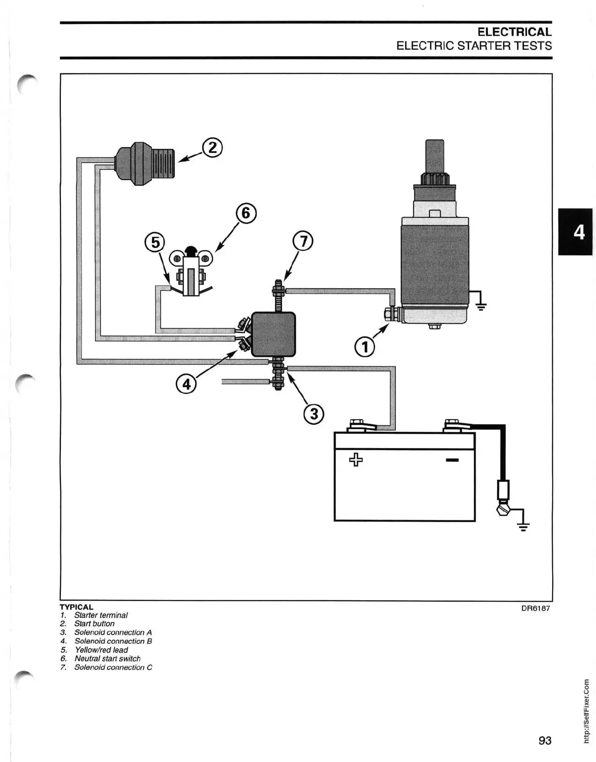
TYPICAL
1.
Starter terminal
2.
Start button
3.
Solenoid connection A
4. Solenoid connection B
5.
Yellowlred lead
6.
Neutral start switch
7.
Solenoid connection C
®
,........-,......../
ELECTRICAL
ELECTRIC STARTER TESTS
-
DR6187
E
o
U
Qj
)(
~
Qj
~
ii
93 E

Table of Contents

Related product manuals