EasyManua.ls Logo

Johnson J25RLSRR - Page 96

Johnson J25RLSRR
347 pages
Print Icon
To Next Page IconTo Next Page
To Next Page IconTo Next Page
To Previous Page IconTo Previous Page
To Previous Page IconTo Previous Page
Loading...
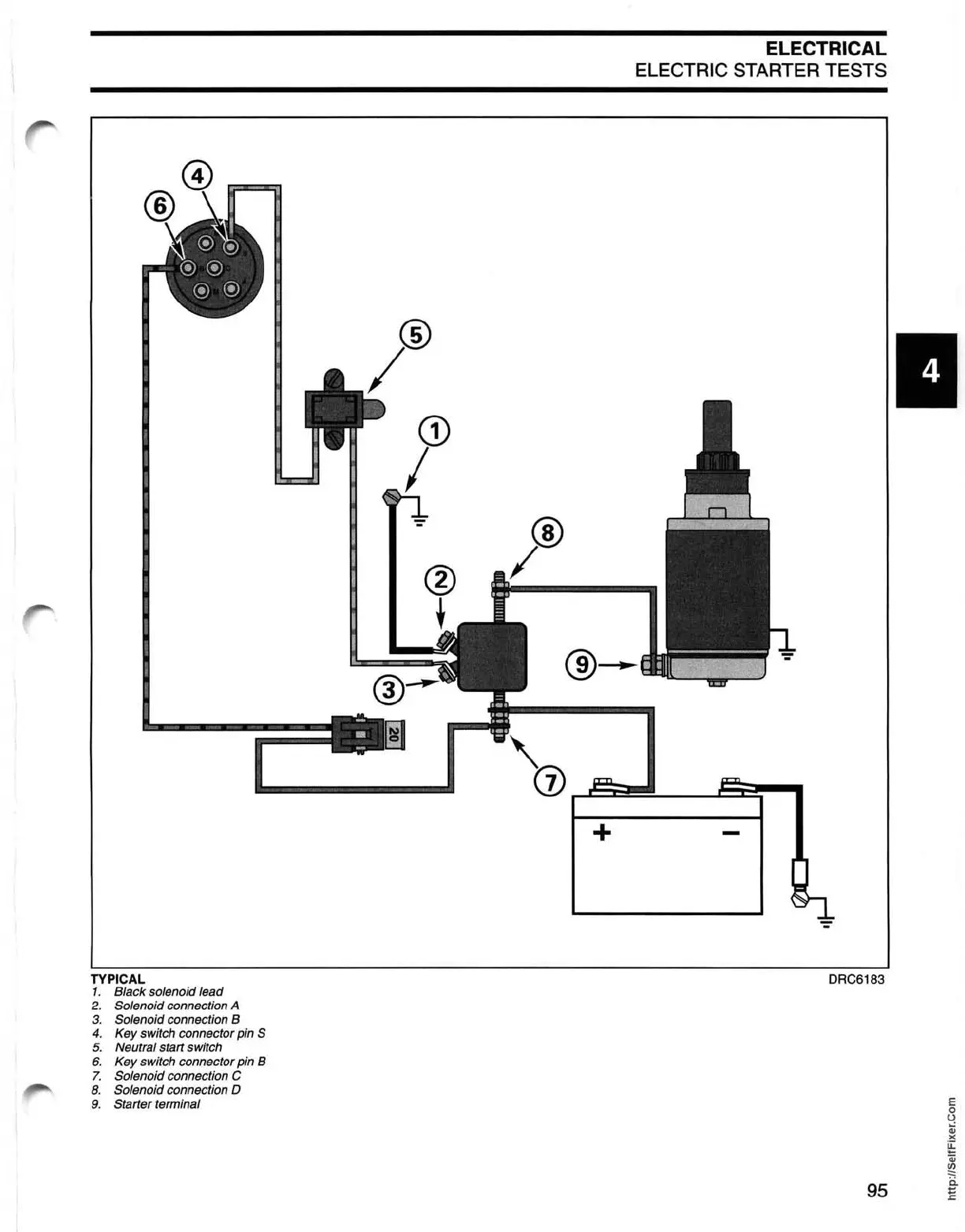
TYPICAL
1. Black solenoid lead
2.
Solenoid connection A
3.
Solenoid connection B
4. Key switch connector pin
S
5. Neutral start switch
6.
Key switch connector pin B
7.
Solenoid connection C
8.
Solenoid connection D
9.
Starter terminal
®
/
®
/
+
ELECTRICAL
ELECTRIC STARTER TESTS
DRC6183
95

Table of Contents

Related product manuals