EasyManua.ls Logo

Johnson JWAS12EINT - Page 67

Johnson JWAS12EINT
Print Icon
To Next Page IconTo Next Page
To Next Page IconTo Next Page
To Previous Page IconTo Previous Page
To Previous Page IconTo Previous Page
Loading...
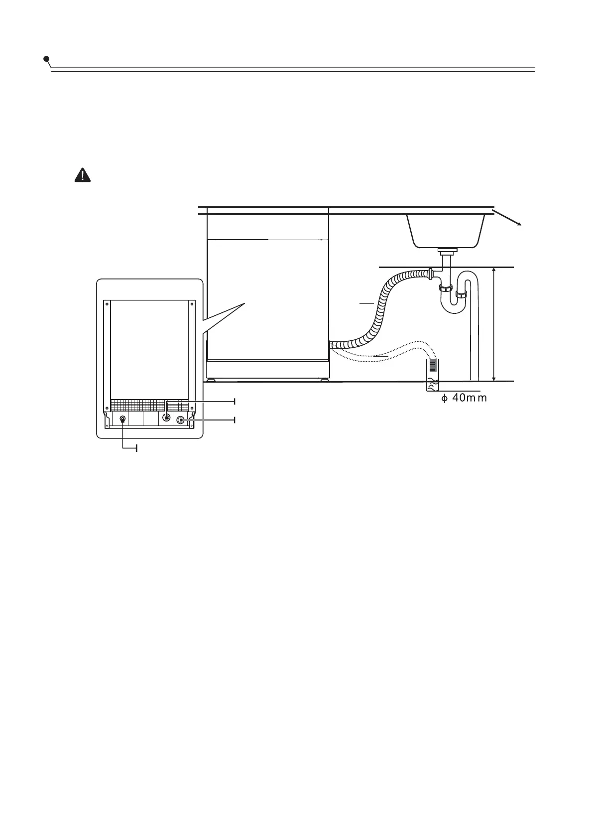
Please securely fix the drain hose in either position A or position B
B
A
MAX 1000mm
Counter
Drain hose
Connection Of Drain Hoses
Insert the drain hose into a drain pipe with a minimum diameter of 4 cm, or
let it run into the sink, making sure to avoid bending or crimping it. The
height of drain pipe must be less than 1000mm. The free end of the hose
must not be immersed in water to avoid the back flow of it.
How to drain excess water from hoses
If the connection to the drain pipe is positioned higher than 1000 mm,
excess water may remain in the drain hose. It will be necessary to drain
excess water from the hose into a bowl or suitable container that is held
outside and lower than the sink.
Water outlet
Connect the water drain hose. The drain hose must be correctly fitted to
avoid water leaks. Ensure that the water drain hose is not kinked or
squashed.
Extension hose
If you need a drain hose extension, make sure to use a similar drain hose.
It must be no longer than 4 meters; otherwise the cleaning effect of the
dishwasher could be reduced.
Syphon connection
The waste connection must be at a height less than 100 cm (maximum)
from the bottom of the dishwasher.
Back of dishwasher
Water Inlet
Drain Pipe
Mains Cable
19
V.1