EasyManua.ls Logo

JOYEE M800 - Page 29

JOYEE M800
58 pages
Print Icon
To Next Page IconTo Next Page
To Next Page IconTo Next Page
To Previous Page IconTo Previous Page
To Previous Page IconTo Previous Page
Loading...
29
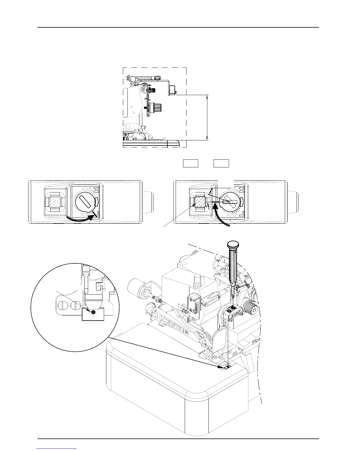
※電眼感應與感應點調整
Adjust induction of the sensor.
照射位置
Irradiation position
2. 燈號調整 Adjust lights
燈號顯示(橘 / 綠)
Screen light (orange / green)
1. 電眼與針車板水平。 The sensor and needle plate are parallel.
2. 燈號由 橘燈 轉至 綠燈 後,再轉 2° ~ 5° 即可。
From orange light turn to green light then turn angle 2°~5°.
調整示意圖
平行
parallel
1. 先做歸零動作。
Reset to zero first.
2°~5°
PEGASUS / TYPICAL / JOYEE
Following is diagram of adjustment.

Related product manuals