EasyManua.ls Logo

Jun-Air 2000-40PD2 - Spare Parts Diagrams - Model 2000-40 BD2; Component Identification - 2000-40 BD2

Jun-Air 2000-40PD2
27 pages
Print Icon
To Next Page IconTo Next Page
To Next Page IconTo Next Page
To Previous Page IconTo Previous Page
To Previous Page IconTo Previous Page
Loading...
23
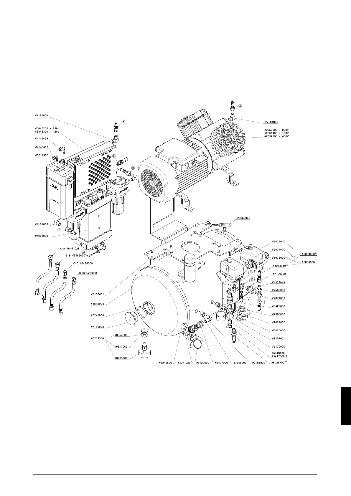
Spare parts model 2000-40BD2
0200610
Spare parts

Related product manuals