EasyManua.ls Logo

Jun-Air 3-4 - Page 40

Jun-Air 3-4
56 pages
Print Icon
To Next Page IconTo Next Page
To Next Page IconTo Next Page
To Previous Page IconTo Previous Page
To Previous Page IconTo Previous Page
Loading...
40
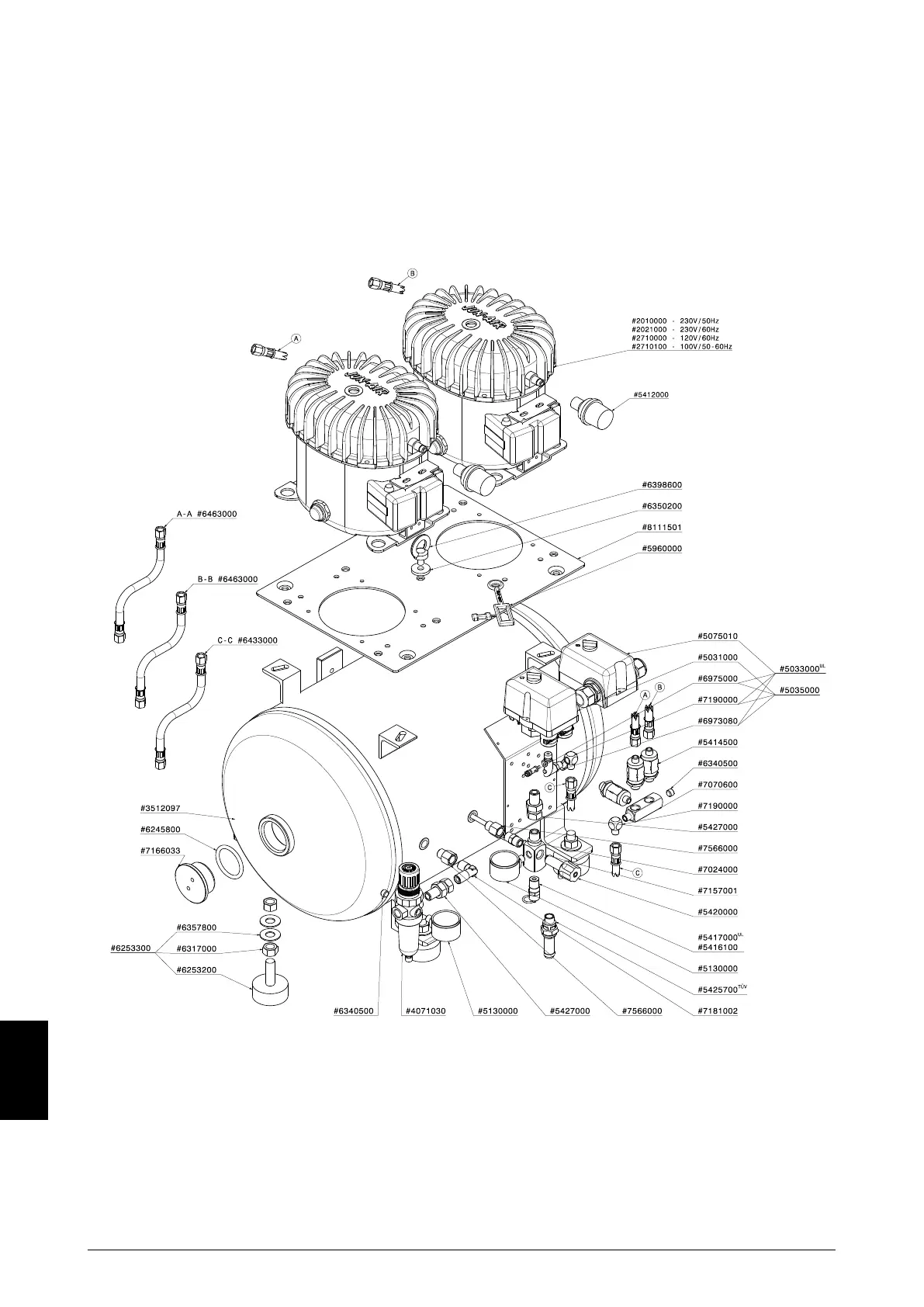
Spare parts model 12-40
0200650
Drawings

Related product manuals