EasyManua.ls Logo

JVC CA-F3000 - Block Diagrams and Circuit Layouts

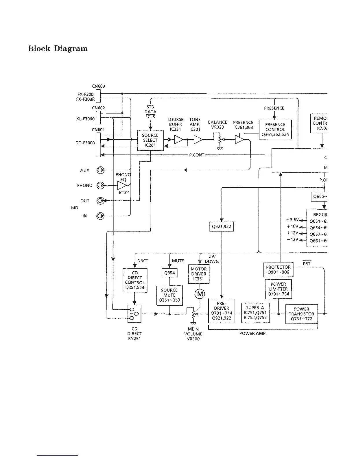
JVC CA-F3000
198 pages
Print Icon
To Next Page IconTo Next Page
To Next Page IconTo Next Page
To Previous Page IconTo Previous Page
To Previous Page IconTo Previous Page
Loading...

Related product manuals