EasyManua.ls Logo

JVC CA-MXJD8UW - Step 3: Hook up

JVC CA-MXJD8UW
186 pages
Print Icon
To Next Page IconTo Next Page
To Next Page IconTo Next Page
To Previous Page IconTo Previous Page
To Previous Page IconTo Previous Page
Loading...
4
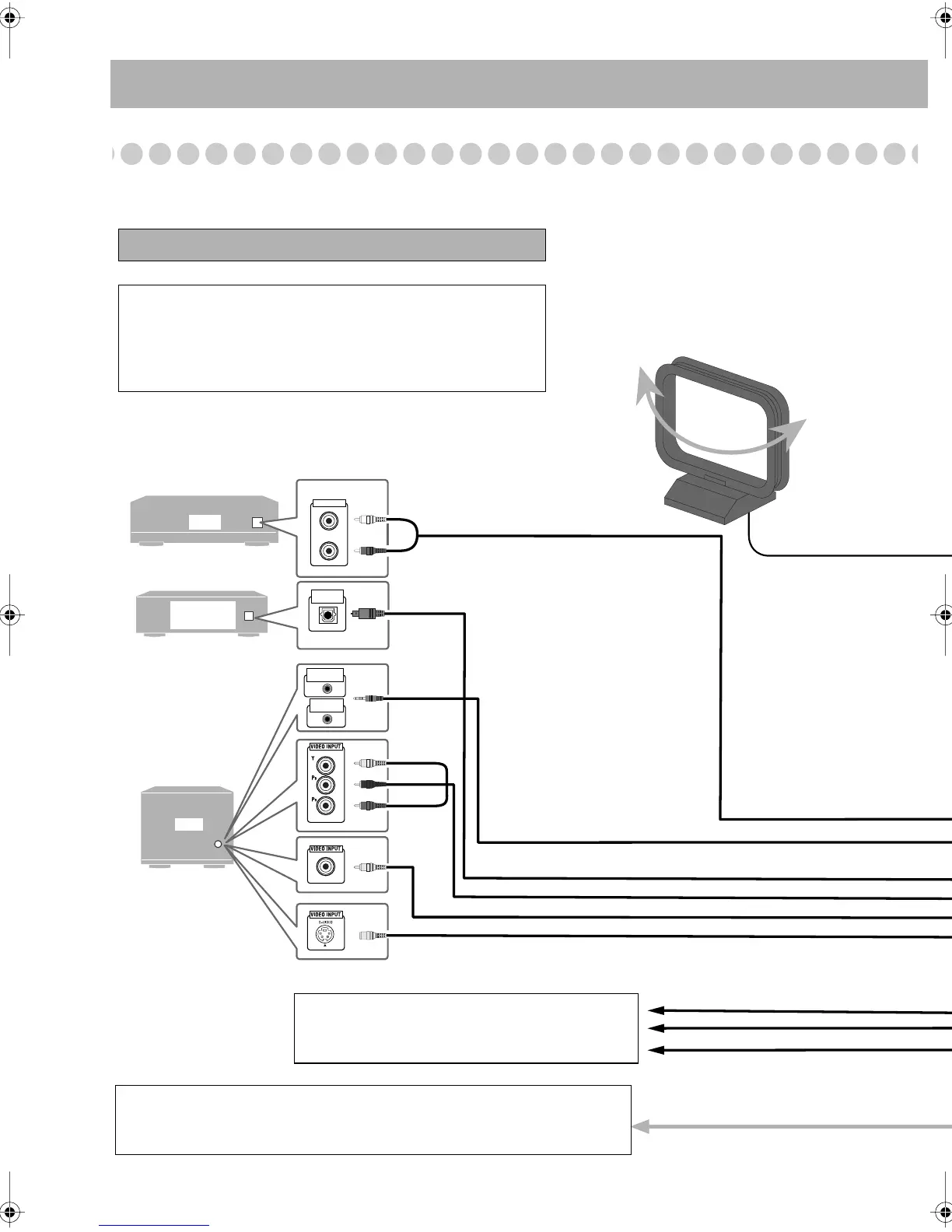
Step
3
: Hook Up
If you need more detailed information, see pages 6 and 7.
AUX
TV
Digital Audio
Equipment
AUDIO OUT
OPTICAL
DIGITAL IN
AV
COMPU LINK II
AV
COMPU LINK EX
Turn the power off to all components before connections.
Illustrations of the input/output terminals below are typical
examples.
When you connect other components, refer also to their
manuals since the terminal names actually printed on the rear
may vary.
Audio cord (not supplied)
To a wall outlet
Plug the AC power cord only after all connections are complete.
If the wall outlet does not match the AC plug, use the supplied AC plug adaptor.
Optical digital cord (not supplied)
Composite video cord (supplied)
Monaural mini plugs (not supplied)
Red
Yellow
S-video cord (not supplied)
Component video cord (not supplied)
AM loop antenna (supplied)
Turn it until the best reception is
obtained.
White
Red
Blue
Green
VCR, etc.
MD recorder,
Amplifier etc.
To center speaker/Surround speaker
See “To connect the speakers” on page 6 and
“Setting the Speakers” on page 8.
MX-JD5&8[UX].book Page 4 Monday, April 26, 2004 2:22 PM

Table of Contents

Related product manuals