EasyManua.ls Logo

JVC FS-SD7R - Page 26

JVC FS-SD7R
62 pages
Print Icon
To Next Page IconTo Next Page
To Next Page IconTo Next Page
To Previous Page IconTo Previous Page
To Previous Page IconTo Previous Page
Loading...
FS-SD5R/FS-SD7R/FS-SD9R
i
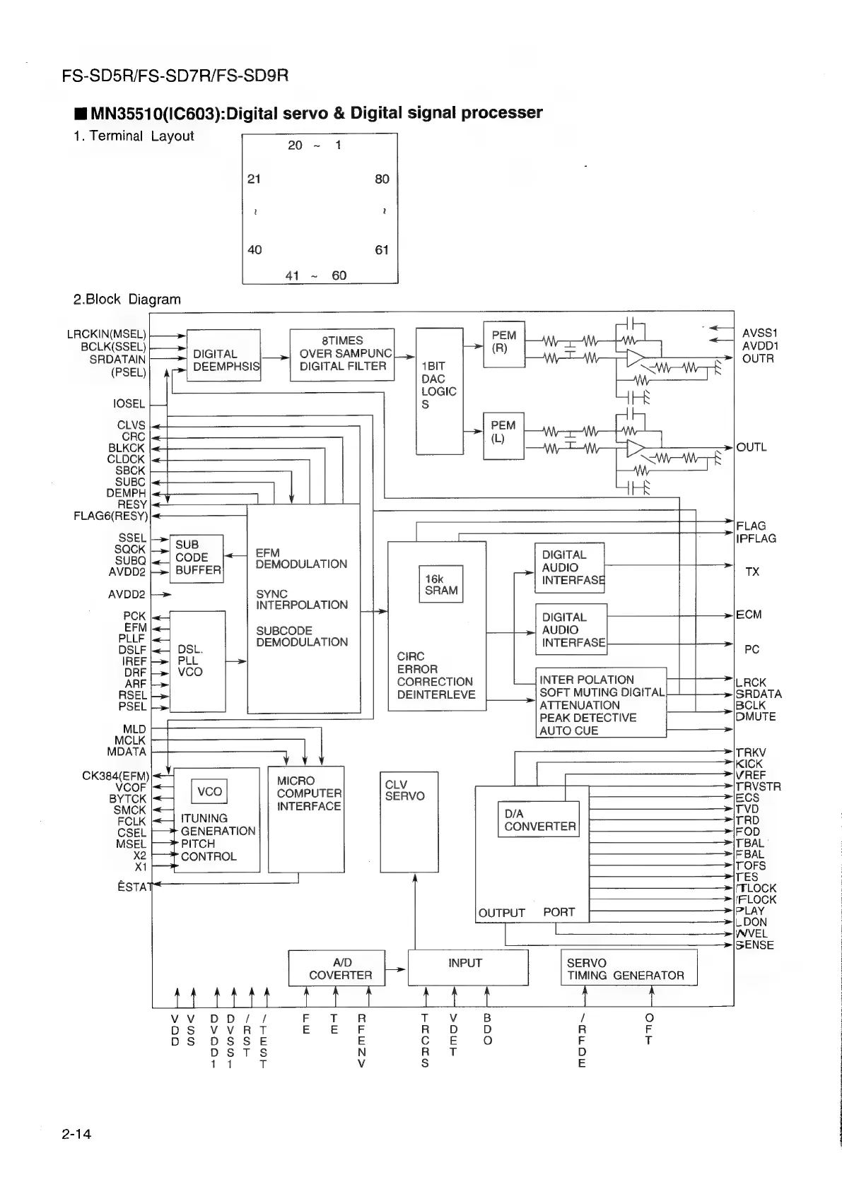
MN35510(IC603):Digital
servo
&
Digital
signal
processer
1.
Terminal
Layout
20
~
1
21
80
2
t
40
61
41
~
60
2.Block
Diagram
a
Hy
.
LRCKIN(MSEL)
|
>
~—]
avssi
BCLK(SSEL)
|
>
STIMES
TW
“<—
avoo1
SRDATAIN
*|
DIGITAL
|__|
OVER
SAMPUNC
>|
OUTR
(PSEL)
Wn
DEEMPHSIS
DIGITAL
FILTER
ESlanans
|
es
IOSEL
|
HS
CLVS
|~«—+
|
CRC
|~«
BLKCK
>|OUTL
CLDCK
SS
sos
BC
|~«—+
\
DEMPH
|<j——
|
|
a
RESY
FLAG6(RESY)
_]
|
FLAG
IPFLAG
EFM
DIGITAL
DEMODULATION
AUDIO
1X
INTERFASE
SYNC
INTERPOLATION
DIGITAL
ECM
suscove
|
|
tao
[||
DEMODULATION
INTERFASE
PC
CIRC
ERROR
CORRECTION
oa
INTER
POLATION
aicl
LRCK
DEINTERLEVE
SOFT
MUTING
DIGITAL
SRDATA
PSEL
[—"]
ATTENUATION
BCLK
PEAK
DETECTIVE
DMUTE
MOLE
AUTO
CUE
MDATA
|
|
>ITRKV
‘Se
ee
|
KICK
384(EFM)
<4
SSE
Vere
e
uO
MICRO
CLV
>|TRVSTR
BYTCK
|<—
cui
aal
deed
SERVO
>lECS
SMCK
INTERFACE
D/A
>ITVD
FOLK
=
ITUNING
/
ala
CSEL
GENERATION
CONVERTER
SIERe
MSEL
}-—+
PITCH
>ITBAL
X2
-—-
CONTROL
>|
BAL
X1
+
>|TOFS
:
TES
ESTAT™
»|'TLOCK
>|IFLOCK
OUTPUT
PORT
>|>LAY
>|_
DON
>WVEL
>|SENSE
AID
INPUT
SERVO
COVERTER
TIMING
GENERATOR
VV
DDI
/
F
oT
R T
VB
/
re)
DS
VVAT
E E
F
R
D
OD
R
F
DS
DSSE
E
CE
-:0
F
T
DSTS
N
R
T
D
11
T
Vv
s
E
2-14

Related product manuals