EasyManua.ls Logo

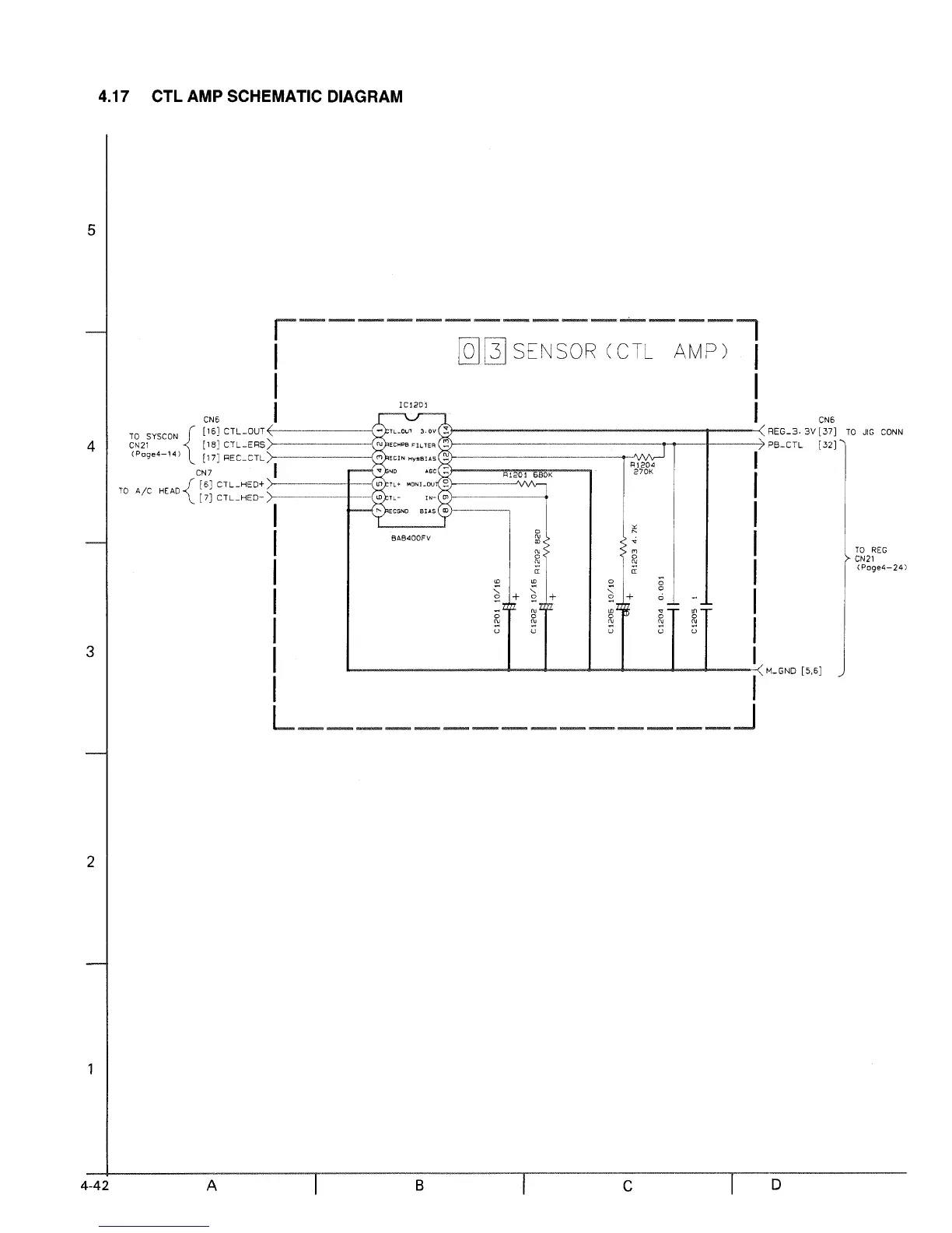
JVC GR-AX730U - AC Power Adapter Schematic Diagram

JVC GR-AX730U
172 pages
Print Icon
To Next Page IconTo Next Page
To Next Page IconTo Next Page
To Previous Page IconTo Previous Page
To Previous Page IconTo Previous Page
Loading...

Related product manuals