EasyManua.ls Logo

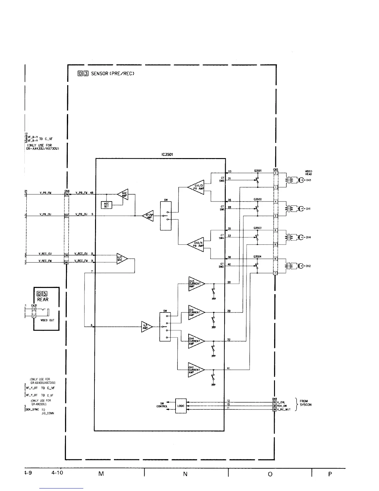
JVC GR-AX730U - CCD Schematic Diagram; CCD Circuit Schematic

JVC GR-AX730U
172 pages
To Next Page IconTo Next Page
To Next Page IconTo Next Page
To Previous Page IconTo Previous Page
To Previous Page IconTo Previous Page
Loading...

Related product manuals