EasyManua.ls Logo

JVC GR-D247EK - Page 36

JVC GR-D247EK
64 pages
Print Icon
To Next Page IconTo Next Page
To Next Page IconTo Next Page
To Previous Page IconTo Previous Page
To Previous Page IconTo Previous Page
Loading...
(No.YF079)2-29 2-30(No.YF079)
IC3501
JCY0132
1
ATF_GND
2
F0_EVR
3
PB_GND
4
TC
5
ADREF
6
REF_CLK
7
REC_DATA
8
REC_GND
9
REC_CLK
10
REC_GAIN
11
VCC3
12
MONI_CHG
13
HEAD_VCC
14
REC_R
15
HEAD_GND
16
HEAD_GND
17HEAD_GND
18
DY1
19
Y1
20
X1
21
DX1
22HEAD_GND
23
DY2
24
Y2
25
X2
26
DX2
27HEAD_GND
28
DY3
29
Y3
30
X3
31
DX3
32HEAD_GND
33
HEAD_GND
34
HEAD_GND
35
PBIN_R
36
DUMP
37
VDD2.8
38
HID3
39
HID2
40
HID1
41
PB_H
42
REC_H
43
VCC5
44
R_CTL
45
DCS_C1
46
DCS_C2
47
DCS_C3
48
PB_MONI
49
PB_OUT
50
AGC_IN
51
AGC_CTL
52
AGC_DET
53 PB_GND
54
AGC_OUT
55
AGC_BUFF_IN
56
REG_1.1V
57
AGC_BUFF_OUT
58
VRB_AGC
59 MAIN_GND
60
ATF_GAIN
61
VCA_OUT
62
ATF_IN
63
VRB_ATF
64
ATF_OUT
REC_CLK
REC_DATA
REF_CLK
REC_CTL
REC_ADJ
NOSIG_LV
ATF_GAIN
DUMP_CTL
RECH
PBH
HID1
HID3
MONI_CHG
ENV_OUT
ATFI
ATFI
VRB_ATF
VRB_AGC
AGC_OUT
VREF_1.1
CN402
1 GND[P/R_GND]
21F
31S
4 GND[P/R_GND]
5 GND[P/R_GND]
62F
72S
8 GND[P/R_GND]
REG_2.5V
L3505 NQR0006-001X
L3503 NQR0006-001X
L3501 NQR0006-001X
L3504 NQR0006-001X
P/R_GND
L3502 NQL402M-100X
REG_4.8V
REG_3.1V
IC3502
SN74AHC1G04K-X
OPEN
123
45
R3501
470
R3502
100k
R3503
1k
R3504
240
R3505
240
R3506
240
R3507
240
R3508
22k
R3509
OPEN
R3510
OPEN
R3512
0
C3526 0.01
C3504 0.047
C3505 0.022
C3506 1
C3507 0.01
C3508 0.01
C3509 0.01
C3510 0.1 C3511 0.01
C3512 0.1
C3513 0.1
C3514 0.047
C3515 0.047
C3516 0.047
C3517
0.01
C3518
0.01
C3519
0.001
C3520
0.01
C3521
0.1
C3522
4.7
C3523
0.01
C3524
0.01
C3525
4.7
C3530
OPEN
C3528
OPEN
R3511
OPEN
TL3501
T
C3501
10/6.3
T
C3502
10/6.3
T
C3503
10/6.3
CH
C3527
220p
Q3501
2SA2029-X
OPEN
R3515
OPEN
R3513
OPEN
R3514
OPEN
C3531
OPEN
C3533
OPEN
C3532
OPEN
C3534
OPEN
F0 AUTO
REG
BIAS
BPF
12dB
REG
REG BIAS
LPF
AGC
VCA
10dB
10.3
dB
6dB
DC Servo
F.F.
REC
30dB
30dB
30dB
10dB
10dB
REC_MONI
Dumping
LOGIC
Typ:-1.3dB
Typ:7.8dB
Typ:24dB
TO PRE/MDA IF
(CN401),CPU
TO PRE/MDA IF
(CN401)
JIG CONNECTOR
TO PRE/MDA IF
(CN401)
OP DRV
TO PRE/MDA IF
(CN401)
PARAGON
TO PRE/MDA IF
(CN401)
REG
TO HEAD
PRE/MDA(PRE/REC)
30
y20358001a_rev0.1
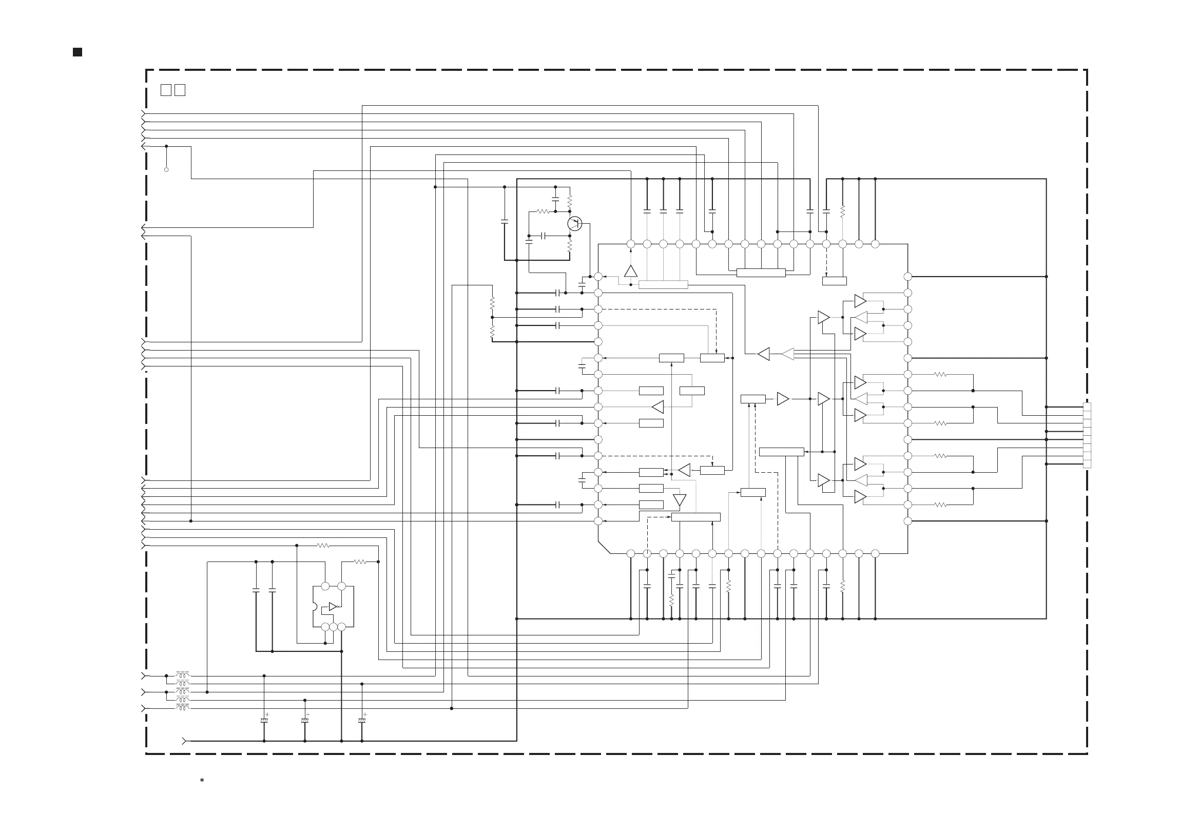
PRE/MDA(PRE/REC) SCHEMATIC DIAGRAM
NOTES: 1. For the destination of each signal and further line connections that are cut off from this diagram, refer to "BOARD INTERCONNECTIONS".
2. The parts with marked ( ) is not used.

Related product manuals