EasyManua.ls Logo

JVC GR-DF540EX - Page 14

JVC GR-DF540EX
22 pages
Print Icon
To Next Page IconTo Next Page
To Next Page IconTo Next Page
To Previous Page IconTo Previous Page
To Previous Page IconTo Previous Page
Loading...
1-14 (No.YF091)
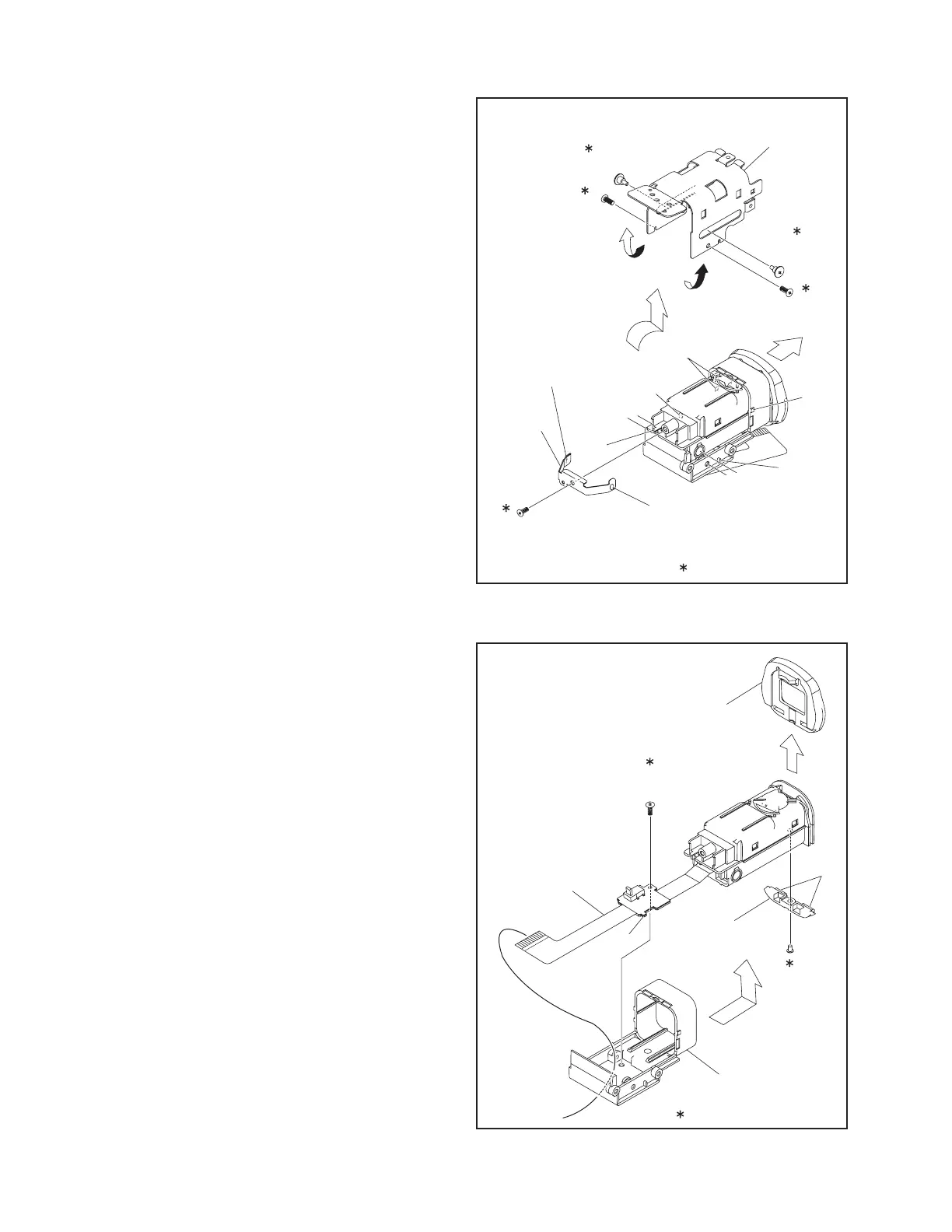
3.2.5 DISASSMBLY of [16] VF ASSEMBLY
zBefore disassembly
As the VF ASSEMBLY has complicated structure, do not dis-
assemble if not needed.
Inside the VF is divided into two units: LCD ASSEMBY / LENS
ASSEMBY, and each unit is made up of several parts. Disas-
semble the VF ASSEMBLY if necessary.
When assembling, pay special attention not to allow foreign
materials (dusts etc.) commingling inside, and not to soil the
LENS or the SHEET.
zDisassembly of the CABINET PARTS
(1) Remove the four screws (1-4), and remove the GUIDE
(VF).
NOTE16a:
When removing, be careful not to damage the hooks.
NOTE16b:
Be careful in handling the GUIDE (VF) as there is
grease applied inside.
(2) Remove the screw (5), and remove the PLATE (CLICK).
(3) Remove the screw (6), and remove the HOLDER (EYE
CAP) and the EYE CAP.
(4) Pull out the VF ASSEMBLY then remove the screw (7),
and free the FPC.
NOTE16c:
During the procedure, be careful not to cut/ damage
the FPC.
(5) Peel off and remove the FPC which is affixed to the back
of the HOLDER (SW).
(6) Remove the two hooks (L16k, m) from both sides, and
remove the UPPER CASE (VF).
NOTE16d:
When attaching, be careful with the positions of the
KNOB (ADJ) and the LENS ASSY. Make sure to
check the slide operation.
(7) Remove the FPC from the CASE (LOWER) to free the
FPC, and remove the LCD ASSEMBY/LENS ASSEM-
BLY.
NOTE16e:
During the procedure, be careful not to cut/ damage
the FPC.
NOTE16f:
When attaching, be careful in handling the FPC.
(8) Remove the connector (CN16) and the hook (L16p, q),
and remove the VF BOARD ASSEMBLY.
NOTE16g:
When removing, be careful not to damage the hooks.
zDisassembly of LCD SA/LENS SA
Refer to the Fig.VF4 for the disassembly of the LCD ASSEM-
BLY, and disassemble if needed.
NOTE16h:
During the procedure, be careful in handling the parts.
Pay special attention not to damage, soil, or leave finger-
prints on the surface.
Fig.VF1
Fig.VF2
B
D
GUIDE(VF)
A
C
PLATE
(CLICK)
C
D
1
(S16a)
2
(S16a)
5
(S16b)
3
(S16b)
4
(S16b)
L16a
L16d
L16c
L16f
A
B
L16b
L16e
L16g
:0.059Nm (0.6kgfcm)
NOTE16a,b
HOLDER
(EYE CAP)
EYE CAP
HOLDER(SW)
7
(S16b)
6
(S16c)
L16h
:0.059Nm (0.6kgfcm)
NOTE16c
FPC
L16j

Related product manuals