EasyManua.ls Logo

JVC GR-DVL320A

JVC GR-DVL320A
109 pages
To Next Page IconTo Next Page
To Next Page IconTo Next Page
To Previous Page IconTo Previous Page
To Previous Page IconTo Previous Page
Loading...
HGF
EDCBA
4
5
3
2
1
4-164-15
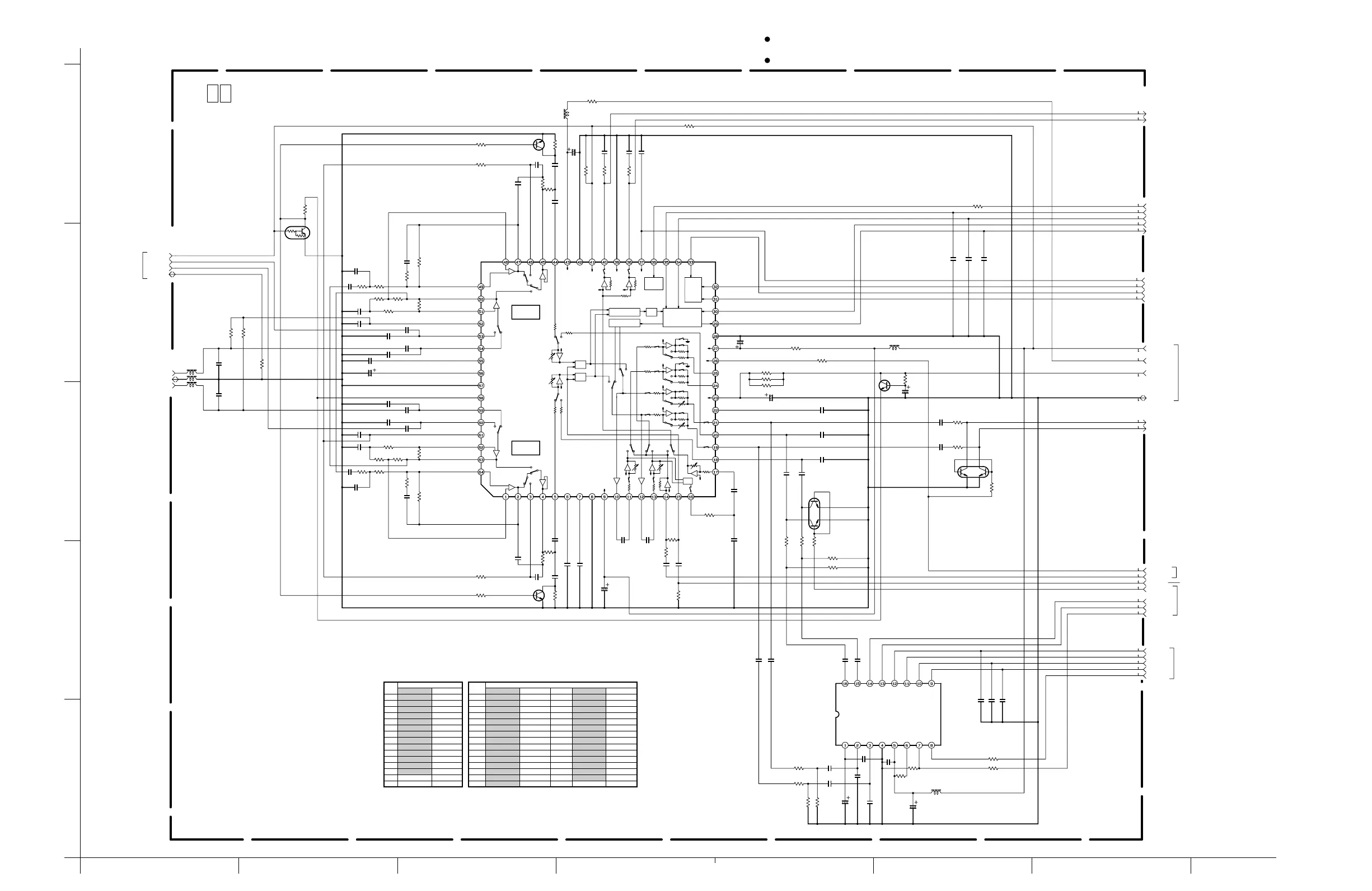
AUDIO SCHEMATIC DIAGRAM4.7
IC2001
M_REG4.8
L2002
REG_4.8V
C2517
REG_3V
GND
R2017
C2507
R2123
R2120
C2126
R2110
R2109
R2103
R2104
C2005
C2012
C2124
C2128
C2123
C2003
C2115
R2119
C2116
R2018
C2125
C2025
IN_MIC/R
AU_SIG/R
R2122
Q2002
R2024
R2121
R2006
C2516
C2121
C2122
R2508
R2009
C2112
R2023
R2025
C2513
C2113
C2020
C2018
C2512
C2114
C2007
C2006
INT_GND
IN_MIC/L
C2028 C2027 C2026
R2001
C2015
L2001
C2002
C2004
C2008
R2014
R2015
R2016
C2019
C2016
C2001
C2011
C2017
C2010
C2009
C2107
Q2001
R2507
R2007
R2008
C2117
C2118
R2201 R2202
C2109
C2110
AIDAT
C2106
DATA _O U T
AODAT
A_MUTE
C2104
R2124
C2127
C2105
C2103
R2118
R2028
C2021
BUZZER
S_SHUT
R2019
R2020
C2013
C2014
AUDIO_CS
CLK_OUT
AIBCK
AILRCK
AIMCK
PD_L
R2029
R2117 R2115
R2116
R2106R2108
R2105R2107
R2112
R2114
C2120
R2111
R2113
C2119
C2202
C2201
C2111
C2024
IC2501
C2503
C2502
C2501
C2506
C2108
C2505
C2504
R2501
R2502
R2504
R2503
R2506
R2505
C2510
C2511
C2515
C2514
C2509
DOLRCK2
DODAT2
PWDA2
PWAD2
MP_MUTE
MD_DEM1
DOMCK2
DOBCK2
AIDAT2
L2501
C2508
Q2501
R2511 R2512
R2513
R2509
R2510
R2005
R2004
AU_SIG/L
Q2101
Q2102
EM_DET
EX_MIC/R
EX_MIC/L
EM_GND
SPK+
SPK-
R2203
R2126
R2125
Q2103
R2129
L2101
L2102
L2103
R2127
R2128
22µ
1k
100k
1.5k
0.022
1.8k
1.8k
15k
15k
1
10
0.0047
0.1
0.0047
0.022
1.5k
0.022
10k
0.022
10
47k
18k
47k
10
0.0047
0.0047
3.3k
0.1
1k
100k
0.1
0.1
0.001
0.001
0
10
10µ
10
1
1
82
82
82
0.1
0.022
10
10
0.033
1
1
1k
1k
0.022
0.022
1.2k 1.2k
0.001
0.001
1
100k
0.1
1
4.7k
220k
0.1
2.7
2.7
0.1
0.1
0
4.7k 4.7k
4.7k
4.7k15k
4.7k15k
15k
2.2k
0.022
15k
2.2k
0.022
0.01
0.01
0.1
1
AK4560AVQ
NQL38DK-220X
/6.3
/6.3
2SC4617/RS/-X
/6.3
/6.3
/6.3
/6.3
UMX1N-W
#
#
T
T
#
#
##
T
T
T
T
#
#
#
#
#
#
#
#
#
#
#
#
#
#
##
T
#
#
T
#
#
##
#
#
#
#
#
#
#
#
#
#
#
#
#
#
Lch
Rch
ALC AMP
ALC AMP
Lch
Rch
+
-
MIX
MIX
+
-
MIX
+
+
--
INT
EXT
EXT
INT
+
+
+
+
-
-
-
-
+
-
Control
Register
I/F
Audio I/F
Controller
Clock
Divider
++--
OFF
OFF
HPFA/D Converter
D/A Converter
+
-
+
+
-
-
+-
+-
HPF
HPF
ON
ON
VCOM
VREF
MIC
MIC
LINE
LINE
+
+
-
-
VA
VOLVOL
BEEP
BEEP
SIG
SIG
AVR OUT
LINE IN
Lch
LINE OUT
Lch
SP IN
LINE IN
Rch
Rch
LINE OUT
HP OUT
HP OUT
Lch
Rch
A_MUTE
MIC SEL
GND
GND
GND
GND
SPK+
SPK-
EXT MIC
EXT MIC
INT MIC
INT MIC
Lch
Lch
Rch
Rch
HVDD
4.8V
HVCM
2.4V
VD
3V
1.5V
1.5V
(VA)
3V
(VD)
SVDD
4.0V
(SVDD)
MPWR
3.3V
MRF
MVCM
2V
MVDD
4V
(MVDD)
MA
BIAS
2V
CS
DATA
CCLK
BCLK
LRCK
MCLK
PD
ND
LINE OUT2
Rch
LINE OUT2
Lch
SDTI
SDTO
MCLK
LRCK
BCLK
PD
CCLK
AU_SIG/R
AU_SIG/L
SPK+
SPK-
CS
DATA
SDTI
SDTO
∗∗∗
NOTE : The parts with marked ( ) is not used.
0 1 MAIN (AUDIO)
(N.C)
TO
MAIN IF
CN106
TO
MAIN IF
CN101
TO
DVMAIN
TO SYSCON
TO REG
TO
MAIN IF
CN102
TO SYSCON
TO SYSCON
TO CAM.DSP
(N.C)
y10252001a_rev0.0
# EXCHANGE PARTS LIST
0
Q2101
Q2102
Q2103
R2125
R2126
R2127
C2107
2SC4617/RS/-X
2SC4617/RS/-X
C2108
EXT_MIC IN
YES NO
100k
0
R2128
R2129
R2004
R2005
R2203
100k
µ
1
1
IC2501
0
µ
DTC144EE-X
0
0
0
L2501
Q2501
E-Mail/WEB_Camwith
YES NO
R2501
R2502
AK4550VT-X
R2504
R2505
R2506
R2507
R2508
R2509
R2510
R2511
R2512
NQL38DK-220X
R2513
C2504
C2505
C2506
C2507
C2508
C2509
C2510
C2511
C2512
C2513
C2514
C2515
C2516
C2517
UMX18N-W
0
0
0
YES NO
27k
27k
22k
22k
560k
560k
10k
10k
3.3k
0.1
0.0022
0.0022
10
4.7
1
1
1
1
1
1
0.1
0.1
0.1
µ
µ
µ
µ
µ
µ
µ
µ
µ
µ
µ
µ
µ
µ
When ordering parts
,
be sure to order according to the Part Number indicated in the Parts List.
For the destination of each signal and further line connections that are cut off from
this diagram
,
refer to "4.1 BOARD INTERCONNECTIONS".
NOTES :

Table of Contents

Other manuals for JVC GR-DVL320A

Related product manuals