EasyManua.ls Logo

JVC GR-DVL320A

JVC GR-DVL320A
109 pages
To Next Page IconTo Next Page
To Next Page IconTo Next Page
To Previous Page IconTo Previous Page
To Previous Page IconTo Previous Page
Loading...
HGF
EDCBA
4
5
3
2
1
4-204-19
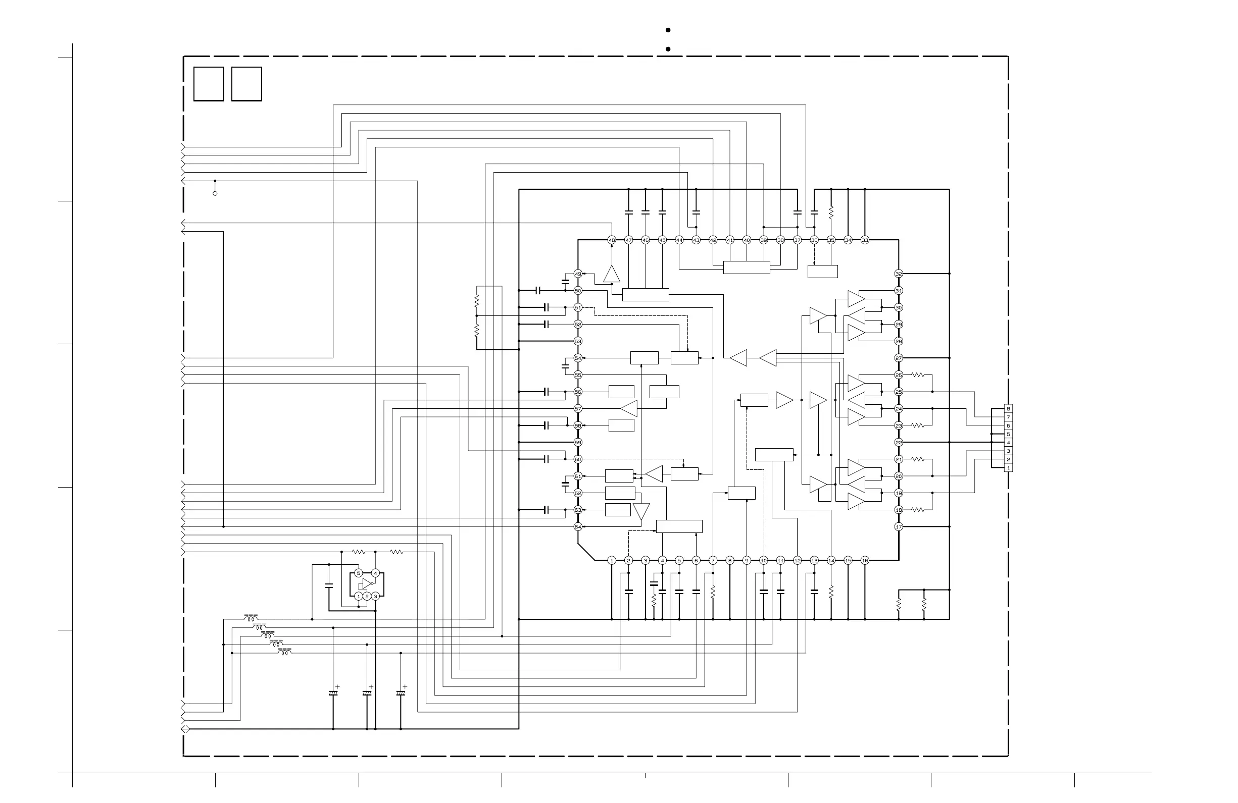
PRE/REC SCHEMATIC DIAGRAM4.9
IC3501
C3516
C3515
C3514
R3501 C3504
R3509
R3507
R3506
R3505
R3504
C3526
R3503
C3508
C3527
C3505
MONI_CHG
C3503
C3510
C3502
C3509
TL3501
C3506
GND
L3505
L3504
L3503
REG_2.5V
REG_3V
REG_4.8V
ATFI
R3510
REF_CLK
REC_DATA
R3522 R3521
IC3502
IC3502
ENV_OUT
R3512 R3511
REC_CTL
RECH
PBH
HID1
HID3
R3508
DUMP_CTL
ATFI
C3511
C3512
L3501
REC_CLK
C3507
C3517
C3518
C3519
C3501
C3513
C3520
L3502
C3521
C3523
C3524
C3522
C3525
NOSIG_LV
C3528
ATF_GAIN
RECCADJ
VRB_AGC
VRB_ATF
VREF_1.1
AGC_OUT
R3502
TO HEAD
CN110
0.047
0.047
0.047
470 0.047
240
240
240
240
0.01
1k
0.01
220p
0.022
10
0.1
10
0.01
1
0 0
100
22k
0.01
0.1
0.01
0.01
0.01
0.001
10
0.1
0.01
10µ
0.1
0.01
0.01
4.7
4.7
0.01
100k
JCY0132
CH
/6.3/6.3
NQR0006-001X
NQR0006-001X
NQR0006-001X
SN74AHC1G04K-X
NQR0129-002X
/6.3
GND[P/R_GND]
GND[P/R_GND]
GND[P/R_GND]
GND[P/R_GND]
2S
2F
1S
1F
TTT
PB_MONI
DCS_C3
DCS_C2
DCS_C1
R_CTL
VCC5
REC_H
PB_H
HID1
HID2
HID3
VDD2.8
DUMP
PBIN_R
HEAD_GND
HEAD_GND
HEAD_GND
DX3
X3
Y3
DY3
HEAD_GND
DX2
X2
Y2
DY2
HEAD_GND
DX1
X1
Y1
DY1
HEAD_GND
PB_OUT
AGC_IN
AGC_CTL
AGC_DET
PB_GND
AGC_OUT
AGC_BUFF_IN
REG_1.1V
AGC_BUFF_OUT
VRB_AGC
MAIN_GND
ATF_GAIN
VCA_OUT
ATF_IN
VRB_ATF
ATF_OUT
ATF_GND
TC
PB_GND
REF_CLK
ADREF
REC_DATA
REC_GND
REC_CLK
REC_GAIN
VCC3
MONI_CHG
REC_R
HEAD_VCC
F0_EVR
HEAD_GND
HEAD_GND
F0 Auto
10dB
MAIN0 1 (PRE/REC)
30dB
30dB
30dB
10dB
DC Servo
LOGIC
Dumping
6dB
AGCLPF
VCA
REC
10dB
F. F.
REC_MONI
BIASREG
10.3dB
Typ:-1.3dB
Typ:7.8dB
Typ:24dB
BPF
BIAS
REG
12dB
REG
NOTE : The parts with marked ( ) is not used.
y20172001a_rev0.0
TO
DECKCPU
TO
MAIN IF
CN105
TO
CAM.DSP
TO
DVMAIN
TO REG
When ordering parts
,
be sure to order according to the Part Number indicated in the Parts List.
For the destination of each signal and further line connections that are cut off from
this diagram
,
refer to "4.1 BOARD INTERCONNECTIONS".
NOTES :

Table of Contents

Other manuals for JVC GR-DVL320A

Related product manuals