EasyManua.ls Logo

JVC GR-DVL320A

JVC GR-DVL320A
109 pages
To Next Page IconTo Next Page
To Next Page IconTo Next Page
To Previous Page IconTo Previous Page
To Previous Page IconTo Previous Page
Loading...
HGF
EDCBA
4
5
3
2
1
4-324-31
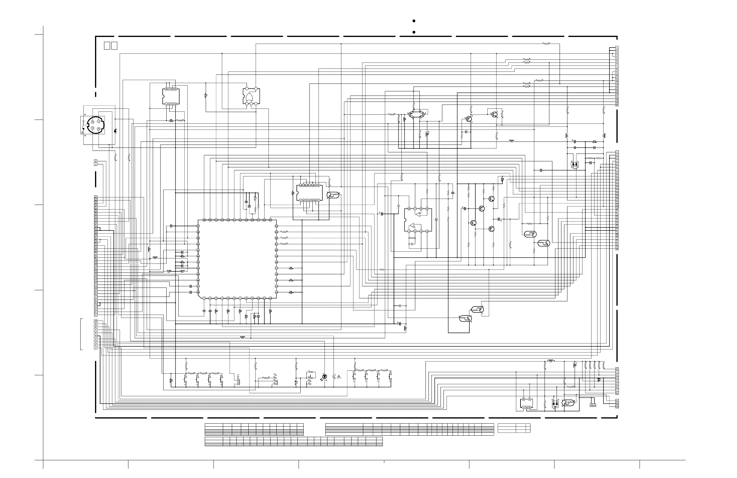
MONITOR SCHEMATIC DIAGRAM4.15
IC7601
C7603
CN766
C7601
C7604
C7608
C7605
C7606
C7622
CN766
CN764
C7621
R7601
C7614
C7613
R7602
Q7603
Q7604
R7618
R7111
R7619
R7617
IC7604
IC7604
C7642
IC7602
R7604
C7625
R7113
Q7608
L7601
R7630
C7624
R7609
R7610
R7611
C7627
R7608
D7601
C7607
R7612
R7613
R7614
C7628
C7629
Q7101
C7640
R7603
R7632
R7631
Q7610
Q7609
C7618
C7620
C7619
C7617
SW2
R4
L7603
L7602
C7609
C7602
SW3
R7635
C7626
R5
R7625R7624
C7636
C7635
C7634
L7607
L7606
C7632
C7633
R7634
Q7605
R7622
SW4
R6
SW5
D1
SW6
R3
C1
SW1
R2
R1
SW7601
C7641
R7633
C7615
J7601
C7637
C7610
L7604
C7630
C7631
C7611
C7612
IC7603
CN761
D11
R7640
R7110
#CN762
D7602
R7605
R7606
SW7
SW8
R7646
CN766
R7645
R7643
R7644
sw9
R7112
SW10
R7
R8 R9 R10
R7636
R7637
Q7607
R7626
R7627
R7629
R7638
R7628
C7638
C7623
Q7601
Q7602
L7605
R7623
R7615
C7616
R7616
Q7606
R7621
C7639
CN763
BT1
CN765
R18R19R20R21R22L10
C10
C11
Q10
R26
R25
D10
R28
R23
C7645
2.2
1
2.2
0.01
2.2
0.1
1
1
6.2K
1500p
2.2
15K
560
560
0.1
10µ
22K
0.01
22K
43K
820
0.1
15k
10
22k
22k
4.7
3.3
103
68k
3.3M
10
0.01
10
0.01
1.5K
10
10µ
0.1
0.01
0.1
1.8K
0.01
2.2
10µ
4.7
0.01
2.7K
10K
0.01
10K
10K
0.01
0.01
2.2
10µ
4.7
0.01
2.2
2.2
0
0
0
10
22K
1000p
22K
Bout1
Gout1
Rout1
D-Vref1
OEV
QH/EN
Bin
Vcc2(7.5)
Vcc3(12V)
GND2
D-Vref2
Bout2
Gout2
Rout2
VCOM
VCOMDC
CPH3
CPH2
CPH1
OEH
STH2
STH1
VCO
PH_DET
Vcc4(3V)
STV1
STV2
CPV/VCK
VMC
HMC
Vss
LOAD
SCLK
S DATA
FRP
Vdd(3V)
GND1
Vcc1(3V)
Vsync
Hsync
Rin
Gin
AN2540FHQ
SD_DATA2
MMC_CS
Dat2MMC
VSS(GND)
VDD(DSC_3V)
MMC_CLK
VSS2/CD
Dat2Host
SD_DATA1
CARD_DET
SD_WP
VSS(GND)
REV_SW
BL_GND
BL_GND
LCD_CTL
BL_4.8V
BL_4.8V
A_REG_3V
VGL
VSS
STV2
UD
CPV
OEV
STV1
VDD
VGH
LCD_COM
LCD_VEE
STH2
LCD_RVS
VB
MON_R
MON_G
MON_B
GND
GND
CLK3
EL_CTL
QGF0508F1-33X
2SC4617/QR/-X
2SA1774/QR/-X
CLK2
CLK1
Q2H
OEH
STH1
1A
1B
1Y
2A
2B
2Y
GND 3Y
3A
3B
4Y
4A
4B
Vcc
SN74LV08APW-X
BA4558F-X
DTC144EE-X
FC806-W
/25
/16
DTA144EE-X
DTC144EE-X
/25
SML-110MT-X
QSW0451-001X
QND0087-001
/25
CS
SO
WP
GND
VCC
HOLD
SCK
SI
AT25040N-10SC-X
MONI_SW
SPK+
SPK-
REG_3V
KEY_A
KEY_B
LITHIUM
M_RVS
BL_GND
BL_GND
CVF_G
LCD_CTL
REG_4.8V
REG_4.8V
REG_-15V
REG_15V
S_DT_OUT
CHARGE_LED
Y_OUT
KEY_C
QGF0508F1-40X
S_CLK
M_CS
S_DT_IN
ROM_CS
BW_Y
HRP
LCD_B
VF_LCD
LCD_R
REG_4.8V
MON_G
REG_12V
VFREG4.8
LCD_G
GND
GND
HDCVF
VDCVF
C_OUT
S_DET
SD_WP
MMC_DATA
MMC_CD
DSC_3V
MMC_CLK
DSC_GND
MMC_CMD
P_MEDIA
M32_MMC_CS
EL_CTL
QGF0508F1-10X
UDZS6.8B-X
GND
GND
/10
2SC4617/QR/-X
2SA1774/QR/-X
GND
GND
VFREG4.8
VFREG4.8
GND
CVF_B
CVF_R
CVF_G
VF_COM
HCK2
HCK1/BW_Y
EN
GND
QGF0507F3-20X
VST
VCK
VDD/(REG_4.8V)
VDD/(REG_4.8V)
VDD/(REG_4.8V)
REG_12V/REG_12V
HST/VF_CTL
QAB0025-001
SPK+
SPK-
QGA1201F2-02X
#
#
#
#
#
T
T
#
#
##
#
#
T
#
#
#
#
#
#
T
#
#
#
#
#
#
#
#
#
#
#
## #
#
#
#
T
#
#
#
#
T
#
#####
T
##
CHARGE_LED
STOP
VF_LCD
REW
FF
PLAY/PAUSE
DSC
LIGHT_SW
LITIUM
NOTE : The parts with marked ( ) is not used.
0 2 MONITOR
y10256001a_rev0.0
+
+
TO
SPEAKER
TO MAIN IF
CN101
(N.C)
TO LCD BL
CN751
# Exchange Parts List
54
321
IC7101
#
IC7102
#
C7644
C7643
R7114
#
C7101
#
R7115
Q7102
#
R7115
#
TO B/W VF
CN7001
2.5inch MODEL
3.5inch MODEL
Q7605 Q7606
∗∗
∗∗
∗∗
∗∗
∗∗
0
∗∗
∗∗
L7605 L7606
10µ
10µ
R7612 R7621 R7622 R7623 R7624 R7625
22K
6.8K
0
3inch MODEL 10µ 22K
DTA144EE-X DTC144EE-X
∗∗
22K22K22K
0.1
6.8K
22K 22K
C7636
0.1
BW VF MODEL
COLOR VF MODEL
R7604 R7626 R7627
0
R7634 R7635 R7640 R7643 R7644 R7646
18K 330K 0 0 0 0 0 0
C7638 C7639
2.2 10/10
Q7101
2SA1774/QR/-X
R7110
5.6K
R7111
0
R7113
0
0
R7645
IC7101
TC7SH32F0-X
C7102
0.1
R7114
270
C7101
220p
Q7102
2SC4617/QR/-X
R7116
1k
DSC MODEL [WITH E-MAIL/WEB CAM]
DSC MODEL [WITHOUT E-MAIL/WEB CAM]
Without DSC MODEL
CN762
QGF0508F1-10X
QGF0508F1-10X
CN766
NNZ0058-001X
NNZ0058-001X
SW6
NSW0099-001X
NSW0099-001X
SW7
NSW0160-001X
NSW0160-001X
SW8
NSW0160-001X NSW0160-001X NSW0160-001X
NSW0160-001X
SW9 SW10 R7
10K
10K
R8
1.5K
1.5K
R9
1.8K
R10
2.7K
47K
∗∗
10K
R18
47K
47K
R19
10K
10K
R21
10K
R22
47K
100K
R23
100K
With LIGHT MODEL
Without LIGHT MODEL
SW1
NSW0092-001X
R2
10K
C11
10/6.3
10/6.3
L10
NQR0129-001X
NQR0129-001X
When ordering parts
,
be sure to order according to the Part Number indicated in the Parts List.
For the destination of each signal and further line connections that are cut off from
this diagram
,
refer to "4.1 BOARD INTERCONNECTIONS".
NOTES :

Table of Contents

Other manuals for JVC GR-DVL320A

Related product manuals