EasyManua.ls Logo

JVC HX-C6 - Page 15

JVC HX-C6
51 pages
Print Icon
To Next Page IconTo Next Page
To Next Page IconTo Next Page
To Previous Page IconTo Previous Page
To Previous Page IconTo Previous Page
Loading...
(No.MB366)1-15
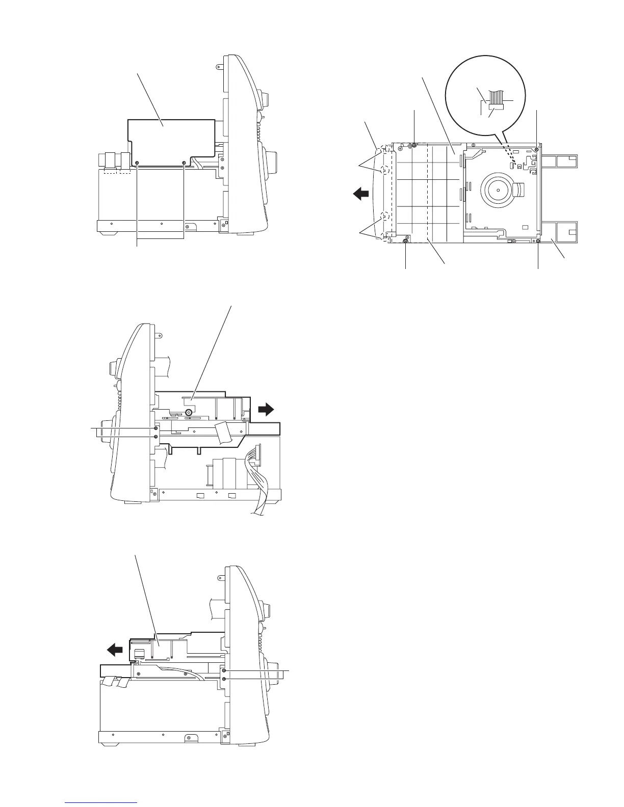
Fig.19
Fig.20
Fig.21
Fig.22
Shield
M
5CD changer mechanism assembly
N
5CD changer mechanism assembly
N
Base 2
Base 1
QP
QP
5CD changer
mechanism assembly
Tray panels
n
CW104
Mechanism
control board
n

Other manuals for JVC HX-C6

Related product manuals