EasyManua.ls Logo

JVC HX-Z1R - Page 34

JVC HX-Z1R
85 pages
Print Icon
To Next Page IconTo Next Page
To Next Page IconTo Next Page
To Previous Page IconTo Previous Page
To Previous Page IconTo Previous Page
Loading...
1-34
HX-Z1R
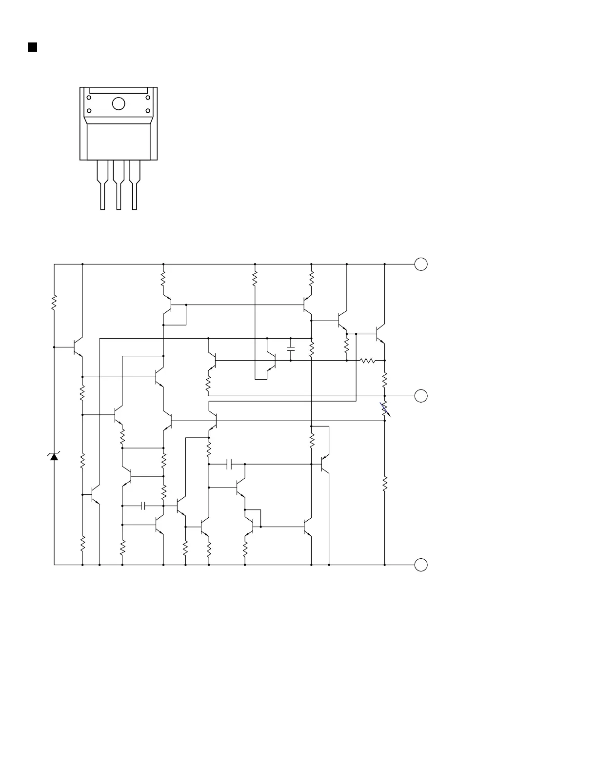
KIA7805API (IC360) : Regulator
1.
Pin
layout
1 2 3
1.VCC
2.GND
3.OUTPUT
1
3
2 COMMON (GND)
OUTPUT
INPUT
Q16
Q15
R14
Q10
R16
R15
R26
R10
Q11-1
R20
R9
R21
Q8
Q19
Q14
Q17
Q6
Q1
C1
Q7
Q9
Q5
Q4
Q3
Q13
Z1
Q2
Q18
Q12
Q11
R17
R22
R1
R12
R11
R13
R4
R5
R18
R2
R3
R6
R8
R7
R19
2.Block diagram
www.freeservicemanuals.info
3/29/2018
Digitized in Heiloo Netherlands

Related product manuals