EasyManua.ls Logo

JVC HX-Z1R - Page 39

JVC HX-Z1R
85 pages
Print Icon
To Next Page IconTo Next Page
To Next Page IconTo Next Page
To Previous Page IconTo Previous Page
To Previous Page IconTo Previous Page
Loading...
1-39
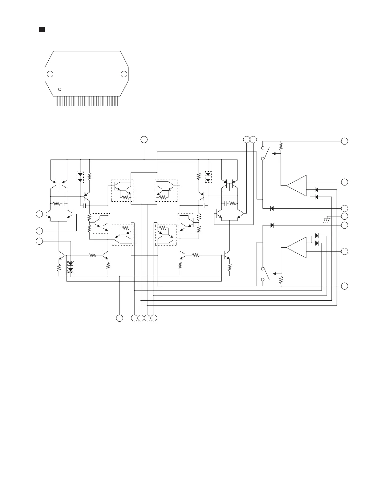
HX-Z1R
2.Block diagra
1.
Pin
layout
STK402-010 (IC701) : 2ch AF power amp.
1 ~ 18
1
3
2
7
5
4
6
13 18 17
14
15
16
12
9 8 11 10
TR41
R41
Comparator
D42
D43
D53
D52
SUB
Comparator
TR51
R51
D51
D41
TR11TR12
R11C11
TR13TR14
C12
TR16
D12R13
R14
R15
R12
TR15
R16
R17
TR17
TR18
TR19
TR20
TR10
TR9
TR8
TR7
R7
R6
D1
TR5
R2
R5
R4
TR6
C2
TR4
TR2TR1
TR3
R1 C1
R3
D2
www.freeservicemanuals.info
3/29/2018
Digitized in Heiloo Netherlands

Related product manuals