EasyManua.ls Logo

JVC KD-AR270 - Page 33

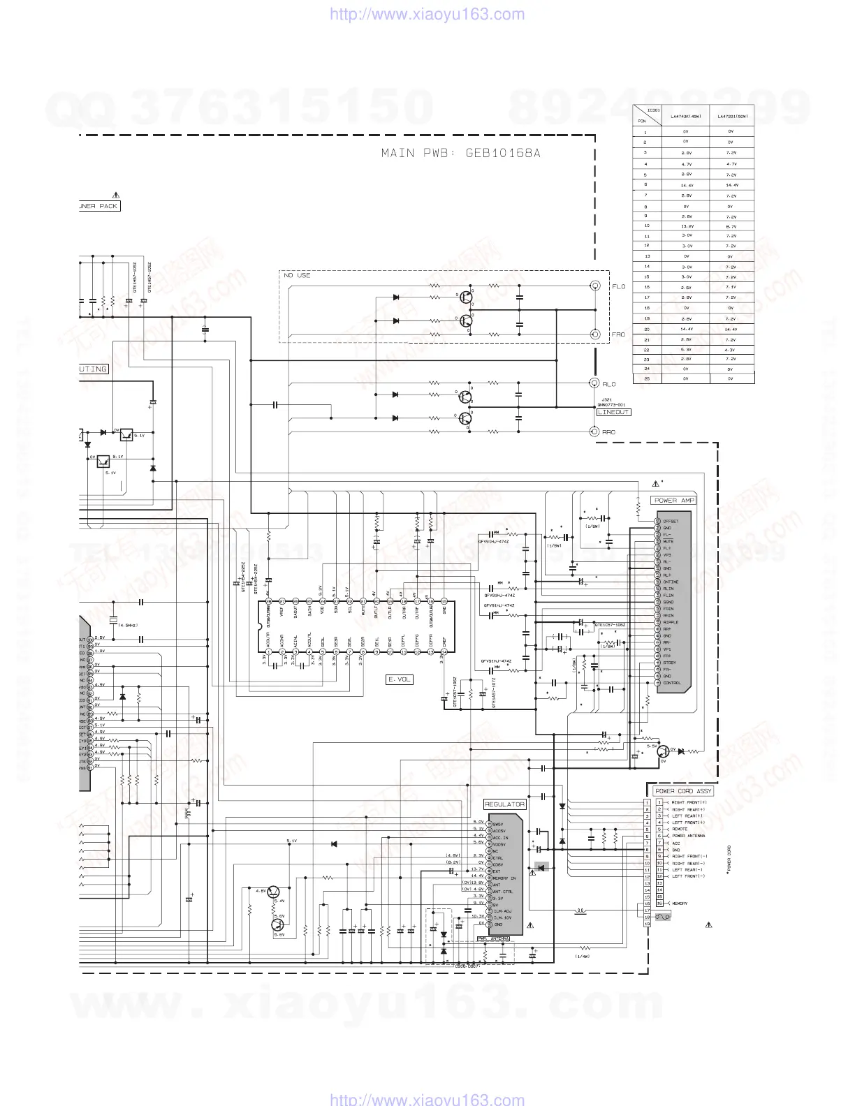
JVC KD-AR270
97 pages
Print Icon
To Next Page IconTo Next Page
To Next Page IconTo Next Page
To Previous Page IconTo Previous Page
To Previous Page IconTo Previous Page
Loading...
2-4
SHEET 1
u
rance parts.
e
parts make
fied one.
3
3
C311
2
Q902
X701
C703
C704
R739
R740
C323
C319
C705
CN901
R907
3
2
R745
C901
D301
C351
C341
2
9
R736
R315
Q351
3
1
3
0
C916
C302
C304
C303
C168
R303
D901
IC161
C169
Q783
D783
C164
R748
C163
C310
C309
R166
R167
R177
R176
C363
Q341
R363
IC901
C178
C364
R304
D341
R364
R355
R301
C902
R341
R351
L901
4
9
R302
R345
Q903
R342
D903
C716
R362
IC301
C362
C331
C321
Q331
Q321
C307
C306
R335
R352
R902
R321
R331
R325
R322
R332
C783
C301
D351
C316
C179
Q781
C915
Q301
5
6
5
5
C784
D781
D904
C93
R735
R737
R738
C905
R191
C909
R906
R910
C8
C183
R905
R901
R903
C312
L701
R707
C184
C910
C904
C908
C914
C903
R311
C165
D784
C166
C176
C194
R162
R172
C192
R164
B315
R174
C191
C701
R361
C83
C313
C361
C919
D905
D907
R909
R92
R82
D706
D906
R908
C314C315
R918
C913
C308
C305
C907
R911
R912
C92
C911
C906
C781
C175
R741
47k
4
1C-X
2SC3928A/QR/-X
QAX0406-001Z
22p
27p
10k
10k
0.01
0.022
10/16
QNZ0611-001
12K
1K
47k
UDZW3.3B-X
100P
100P
47k
10k
7.5K
KTD1304-X
10K
10K
2.2/50
4.7/25
0.022
0.022
0.47
1k
1N5401-F64
TDA7419-X
0.47
RT1P141C-X
1SS355W-X
0.47
47k
0.47
10/16
100/16
0.1
KTD1304-X
2.2
AN80T71
0.47
0.1
4.7k
1SS355W-X
2.2
2.2K
0.01
820
820
QQR0703-001
47k
2.2K
2SA1530A/QR/-X
100
1SS355W-X
0.1
CRS03-W
2.2 0.1
100P
100P
KTD1304-X
KTD1304-X
QMFZ047-150-T
0.1
0.1
1SS355W-X
2.2K
100
1k
820
820
2.2K
100
100
1SS355W-X
0.082
1SS355W-X
0.1
0.47
RT1P141C-X
100/16
2SC3928A/QR/-X
47k
47k
0.082
1SS355W-X
CRS03-W
1/50
4.7k
4.7k
4.7k
22/16
0
100/10
1K
47k
2.2/50
1K
9.1k
4.7k
100P
4.7u
47K
2.2/50
0.01
22/16
100/10
0.1
22/16
47K
4.7/25
1SS355W-X
4.7/25
4.7/25
10/16
47K
47K
0.01
47k
0
47k
100/10
220/6.3
2.2
1/50
100P
0.1
10/16
CRS03-W
27K
1SS355W-X
27K
100P100P
10K
0.22
0.1
0.1
0.01
2.2K
2.2K
220/10
0.1
220/6.3
4.7/25
47k
RF+
EO
KEY1
FLO
RR+
VDD
IFC
LR+
KEY0
RRO
FRO
RLO
LF+
RF-
RR-
LR-
LF-
KEY2
LINEOUTMUTE
FM.OSC
SDA
SCL
MUTE
RR-
CD_R
LF+
CD_L
SUBMUTE
FLO
RRO
LR+
LF-
LR-
RF-
RLO
RR+
RF+
FRO
LINEOUTMUTE
VOLMUTE
G
324, KD-G325, KD-G326)
w
w
w
.
x
i
a
o
y
u
1
6
3
.
c
o
m
Q
Q
3
7
6
3
1
5
1
5
0
9
9
2
8
9
4
2
9
8
T
E
L
1
3
9
4
2
2
9
6
5
1
3
9
9
2
8
9
4
2
9
8
0
5
1
5
1
3
6
7
3
Q
Q
TEL 13942296513 QQ 376315150 892498299
TEL 13942296513 QQ 376315150 892498299
http://www.xiaoyu163.com
http://www.xiaoyu163.com

Other manuals for JVC KD-AR270

Related product manuals