EasyManua.ls Logo

JVC KD-AR270 - Page 34

JVC KD-AR270
97 pages
Print Icon
To Next Page IconTo Next Page
To Next Page IconTo Next Page
To Previous Page IconTo Previous Page
To Previous Page IconTo Previous Page
Loading...
2-5
C529
C530
C532
C531
C525
C526
C528
C524
R540
VREF
R565
R543
R544
R545
R548
CN501
C527
R541
R542
C533
C537
R554
Q521
C536
C535
R556
8200p
8200p
0.33
0.33
0.022
0.022
180P
560P
30K
150
1K
1K
3.3K
3.3K
QGB2027M4-22S
QGZ2512M1-08
QGZ2512M1-10
3300p
39K
4.7k
47/6.3
47/6.3
4.7
2SA1530A/QR/-X
47/6.3
0.1
47K
GND
FEED-
VF2
FEED+
RFVDD
GND
VT2
SW1
VT1
SW2
VF1
PSW
VR
SPINDLE-
LD
SPINDLE+
FOCUS-
VREF
FOCUS+
MD
TRACKING+
TRACKING-
FEED-
FEED+
SPINDLE+
SW1
SPINDLE-
SW2
PSW
VCC
TRACKING-
TRACKING+
FOCUS+
FOCUS-
LD
GND
MD
VR
VF1
VREF
VT1
GND
VT2
VF2
TO CN503
(SHEET 3)
TO CN502
(SHEET 3)
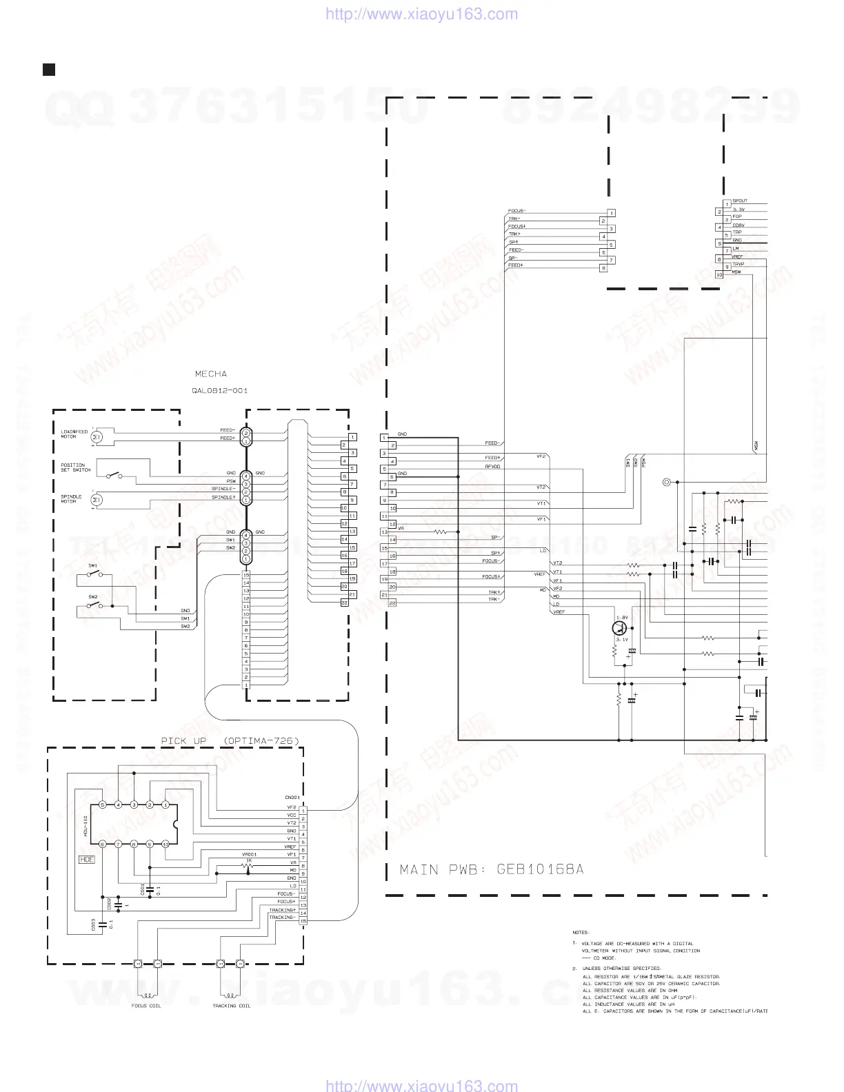
CD servo control section (1/2)
w
w
w
.
x
i
a
o
y
u
1
6
3
.
c
o
m
Q
Q
3
7
6
3
1
5
1
5
0
9
9
2
8
9
4
2
9
8
T
E
L
1
3
9
4
2
2
9
6
5
1
3
9
9
2
8
9
4
2
9
8
0
5
1
5
1
3
6
7
3
Q
Q
TEL 13942296513 QQ 376315150 892498299
TEL 13942296513 QQ 376315150 892498299
http://www.xiaoyu163.com
http://www.xiaoyu163.com

Other manuals for JVC KD-AR270

Related product manuals