EasyManua.ls Logo

JVC KD-G545 - Control Panel Identification; Display Window Features; Button and Dial Functions

JVC KD-G545
4 pages
Print Icon
To Previous Page IconTo Previous Page
To Previous Page IconTo Previous Page
Loading...
4
‡¡◊ËÕ‡™◊ËÕ¡µËÕÕÿª°√≥Ï¿“¬πÕ° „ÀÈ¥Ÿ¢ÈÕ¡Ÿ≈‡°’ˬ«°—∫Õÿª°√≥Ï¿“¬πÕ°·≈–Õ–·¥ª‡µÕ√Ï®“°§ŸË¡◊Õ∑’Ë„ÀÈ¡“¥È«¬
¢ÈÕ§«√√–«—ß
:
°ËÕπ®–‡™◊ËÕ¡µËÕ°—∫Õÿª°√≥Ï¿“¬πÕ° °√ÿ≥“µ√«®Õ∫„ÀÈ·πË„®«Ë“ªî¥‡§√◊ËÕßÕ¬ŸË
∑Ë“π“¡“√∂‡™◊ËÕ¡µËÕË«πª√–°Õ∫
JVC µËÕ‰ªπ’ȇ¢È“°—∫™ËÕ߇’¬∫´’¥’‡™π‡®Õ√Ï
Ë«πª√–°Õ∫
JVC
™◊ËÕ√ÿËπ
´’¥’‡™π‡®Õ√Ï (CD-CH) CH-X1500 œ≈œ
‡™◊ËÕ¡µËÕË«πª√–°Õ∫µËÕ‰ªπ’Ⱥ˓πÕ–·¥ª‡µÕ√Ï·∫∫µË“ßÊ ¢Õß
JVC ‰¥È‡™Ëπ°—π
Õ“®µÈÕß´◊ÈÕ“¬‡™◊ËÕ¡µËյ˓ßÀ“°
Ë«πª√–°Õ∫ Õ–·¥ª‡µÕ√Ï ™◊ËÕ√ÿËπ
Õÿª°√≥Ï∫≈Ÿ∑Ÿ∏ Õ–·¥ª‡µÕ√Ï∫≈Ÿ∑Ÿ∏
KS-BTA200
iPod
Õ‘π‡∑Õ√χøÕ–·¥ª‡µÕ√Ï”À√—∫√ÿËπ
iPod
KS-PD100
‡§√◊ËÕ߇≈Ëπ‡æ≈ß·∫∫æ°æ“ æ√ÈÕ¡¢—È«µËÕ Line Output Õ–·¥ª‡µÕ√Ï Line Input
KS-U57
‡§√◊ËÕ߇≈Ëπ‡æ≈ß·∫∫æ°æ“ æ√ÈÕ¡™ËÕ߇’¬∫·∫∫ 3.5
¡¡.
Stereo
Mini
Õ–·¥ª‡µÕ√Ï
AUX Input
KS-U58
‡¡◊ËÕ‡™◊ËÕ¡µËÕË«πª√–°Õ∫¡“°°«Ë“Àπ÷Ëß™‘Èπ
(
Ÿßÿ¥Õß™‘Èπ
)
¢Õ·π–π”„ÀÈ∑Ë“π‡™◊ËÕ¡µËÕË«πª√–°Õ∫·∫∫Õπÿ°√¡µ“¡§”Õ∏‘∫“¬¢È“ß≈Ë“ß
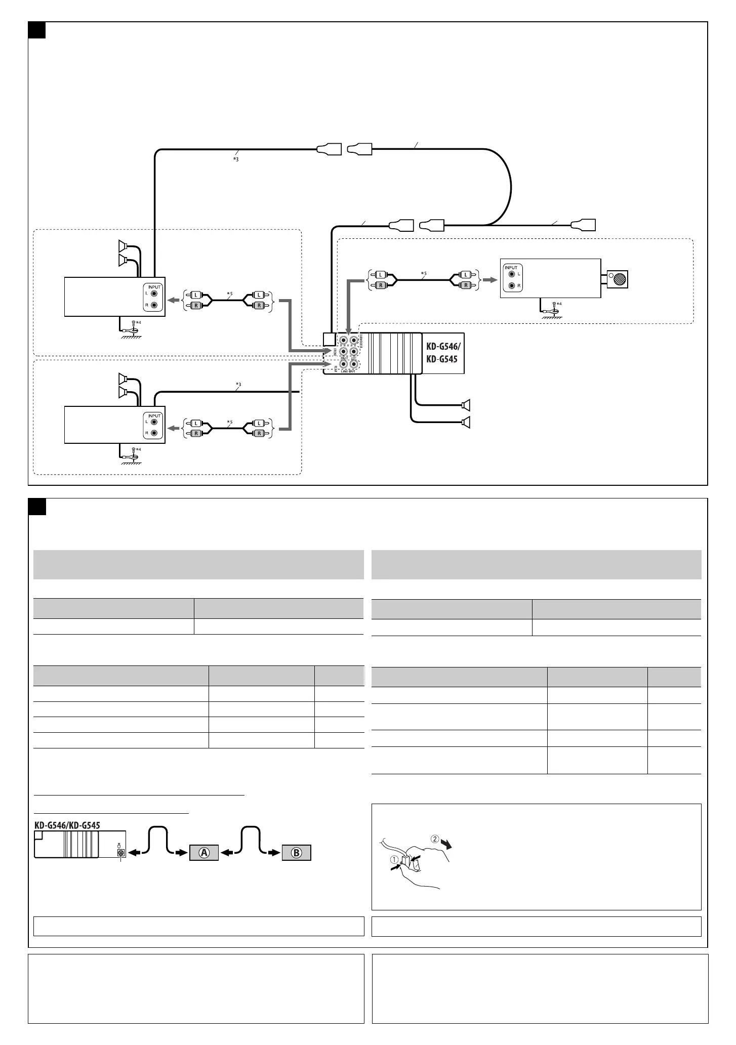
Connecting the external amplifiers and subwoofer / °“√µËÕ°—∫·Õ¡a≈‘ø“¬‡ÕÕ√Ï·≈–´—ø«Ÿø‡«Õ√ϵ—«πÕ°
B
You can connect amplifiers to upgrade your car stereo system.
Connect the remote lead (blue with white stripe) to the remote lead of the other equipment so that it
can be controlled through this unit.
Disconnect the speakers from this unit, connect them to the amplifier. Leave the speaker
leads of this unit unused.
Remote lead (blue with white stripe)
“¬µ–°—Ë«•–¬–‰°• (’πÈ”‡ß‘π≈“¬¢“«)
To the remote lead of other equipment or automatic
antenna if any
µËÕ“¬°—∫Õÿª°√≥ÏÕ◊ËπÀ√◊Õ‡“Õ“°“»Õ—µ‚π¡—µ‘∂È“¡’
Front speakers
≈”‚æßÀπÈ“
Subwoofer
´—∫«Ÿø‡øÕ√Ï
Rear speakers
≈”‚æßÀ≈—ß
Y-connector (not supplied for this unit)
¢ÈÕµËÕ√Ÿªµ—« Y ( ‰¡Ë‰¥È„ÀÈ¡“°—∫™ÿ¥ª√–°Õ∫π’È)
§ÿ≥“¡“√∂µËÕ°—∫·Õ¡æ≈‘ø“¬‡ÕÕ√Ï ‡æ◊ËÕ‡æ‘Ë¡§ÿ≥ ¿“æ‡’¬ß„ÀȰ—∫√–∫∫‡µÕ√‘‚Õ¢Õß√∂¬πµÏ
µËÕ“¬µ–°—Ë«√–¬–‰°≈ (’πÈ”‡ß‘π≈“¬¢“«) ‡¢È“°—∫“¬µ–°—Ë«√–¬–‰°≈¢ÕßÕÿª°√≥ÏÕ◊Ëπ Ê ‡æ◊ËÕ®–“¡“√∂§«∫§ÿ¡‚¥¬™ÿ¥ª√–
°Õ∫π’ȉ¥È
∂Õ¥≈”‚æßÕÕ°®“°™ÿ¥ª√–°Õ∫π’È ·≈È«µËÕ‡¢È“°—∫‡§√◊ËÕߢ¬“¬ ∑‘Èß“¬µ–°—Ë«≈”‚æß¢Õß™ÿ¥ª√–°Õ∫π’ȉ«È
JVC Amplifier
‡§√◊ËÕߢ¬“¬‡’¬ß JVC
JVC Amplifier
‡§√◊ËÕߢ¬“¬‡’¬ß JVC
JVC Amplifier
‡§√◊ËÕߢ¬“¬‡’¬ß JVC
Front speakers
≈”‚æßÀπÈ“
Connecting the external components / °“√µËÕ‡æ‘Ë¡‡µ‘¡‡¢È“°—∫Õÿª°√≥ÏÕ◊ËπÊ
When connecting the external components, refer also to the manuals supplied for the components and
adapter.
CAUTION:
Before connecting the external components, make sure that the unit is turned off.
You can connect the following JVC components to the CD changer jack.
JVC component Model name
CD changer (CD-CH) CH-X1500, etc.
You can also connect the following components through the various JVC adapters.
Connection cords may need to be purchased separately.
Component Adapter Model name
Bluetooth device Bluetooth adapter KS-BTA200
iPod Interface adapter for iPod KS-PD100
Portable audio player with line output jacks Line input adapter KS-U57
Portable audio player with 3.5 mm stereo mini jack AUX input adapter KS-U58
When connecting more than one component (maximum: two), it is recommended that you connect the
components in series as explained below.
CD changer jack /
™ËÕ߇’¬∫´’¥’‡™π‡®Õ√Ï
When connecting two components in series /
‡¡◊ËÕ‡™◊ËÕ¡µËÕË«πª√–°Õ∫Õß™‘Èπ·∫∫Õπÿ°√¡
A KS-BTA200
B *
6
CD-CH / KS-PD100 / KS-U57 / KS-U58
*
6
To disconnect the connector / °“√∂Õ¥µ—«‡™◊ËÕ¡µËÕ
Hold the connector tightly ( 1 ), then pull it out ( 2 ) .
®—∫µ—«‡™◊ËÕ¡µËÕ„ÀÈ·πËπ
( 1 )
·≈È«¥÷ßÕÕ°
( 2 )
*
3
Remote lead
*
4
Firmly attach the ground wire to the metallic body or to the chassis of the car—to the place uncoated with paint
(if coated with paint, remove the paint before attaching the wire). Failure to do so may cause damage to the unit.
*
5
Signal cord (not supplied for this unit)
*
6
To use these components, set the external input setting correctly (see page 13 of the INSTRUCTIONS).
iPod ‡ªÁπ‡§√◊ËÕßÀ¡“¬°“√§È“¢Õß Apple Inc. ™÷Ëß®¥∑–‡∫’¬π°“√§È“„πª√–‡∑»À√—∞Õ‡¡√‘°“·≈–ª√–‡∑»Õ◊ËπÊ
*
3
“¬µ–°—Ë«•–¬–‰°•
*
4
µËÕ≈«¥
“¬¥‘π„ÀÈ·πËπ‡¢È“°—∫µ—«∂—߇À≈Á° À√◊Õµ—«∂—ß√∂
µ√ß
Ë«π ∑’ˉ¡Ë¡’
‡§≈◊Õ∫
(
À“°¡’
’‡§≈◊Õ∫Õ¬ŸË „ÀÈ¢Ÿ¥
’ÕÕ°°ËÕπ °ËÕπµËÕ≈«¥
“¬¥‘π
)
À“°‰¡ËªØ‘∫—µ‘µ“¡§”·π–π”π’È ‡§√◊ËÕßÕ“®™”√ÿ¥À√◊Õ‡
’¬À“¬‰¥
*
5
“¬‡§‡∫‘≈—≠≠“≥ ( ‰¡Ë‰¥È„ÀÈ¡“°—∫™ÿ¥ª√–°Õ∫π’È)
*
6
„π°“√„™ÈË«πª√–°Õ∫‡À≈Ë“π’È „Àȵ—Èß§Ë“°“√√—∫—≠≠“≥Õÿª°√≥Ï¿“¬πÕ°„ÀÈ∂Ÿ°µÈÕß (¥ŸÀπÈ“ 13 §”·π–π”)
C
iPod is a trademark of Apple Inc., registered in the U.S. and other countries.
TH Install2_KD-G546 3-4 4TH Install2_KD-G546 3-4 4 11/14/07 8:51:14 AM11/14/07 8:51:14 AM

Other manuals for JVC KD-G545

Related product manuals