EasyManua.ls Logo

JVC MX-GT95V - Digital Servo Head Amplifier AN22000 A-W (IC601)

JVC MX-GT95V
50 pages
Print Icon
To Next Page IconTo Next Page
To Next Page IconTo Next Page
To Previous Page IconTo Previous Page
To Previous Page IconTo Previous Page
Loading...
MX-GT98V/MX-GT95V/MX-GT88V
MX-GT85V/MX-G78V/MX-G75V
1-38
TEN
TEOUT
TEBPF
VDET
VCCGND
FBAL
TBAL
GCTL
PD
LD
VREF
RFIN
RFN
4 5 6 7 8 11 12 13 14
RFOUT
RF_EQ
AGC BDO OFTR
3TENV
9
10
15
22
23
21
20
NRFDET
SUBT
SUBT
BCA
BCA
BCA
BCA
GCA
GCA
GCA
GCAAMP
AMP
AMP
AMP
19
18
2
VDET
32
31
30
29
27
28
17
+
-
-
+
-
+
-
+
1
316252624
-
+
-
+
-
+
-
+
A
B
C
D
E
F
A
+
C
B
+
D
F
E
CAGC
ARF
CBDO
BDO
COFTR
OFTR
3TOUT
CEA
NRFDET
FEN
FEOUT
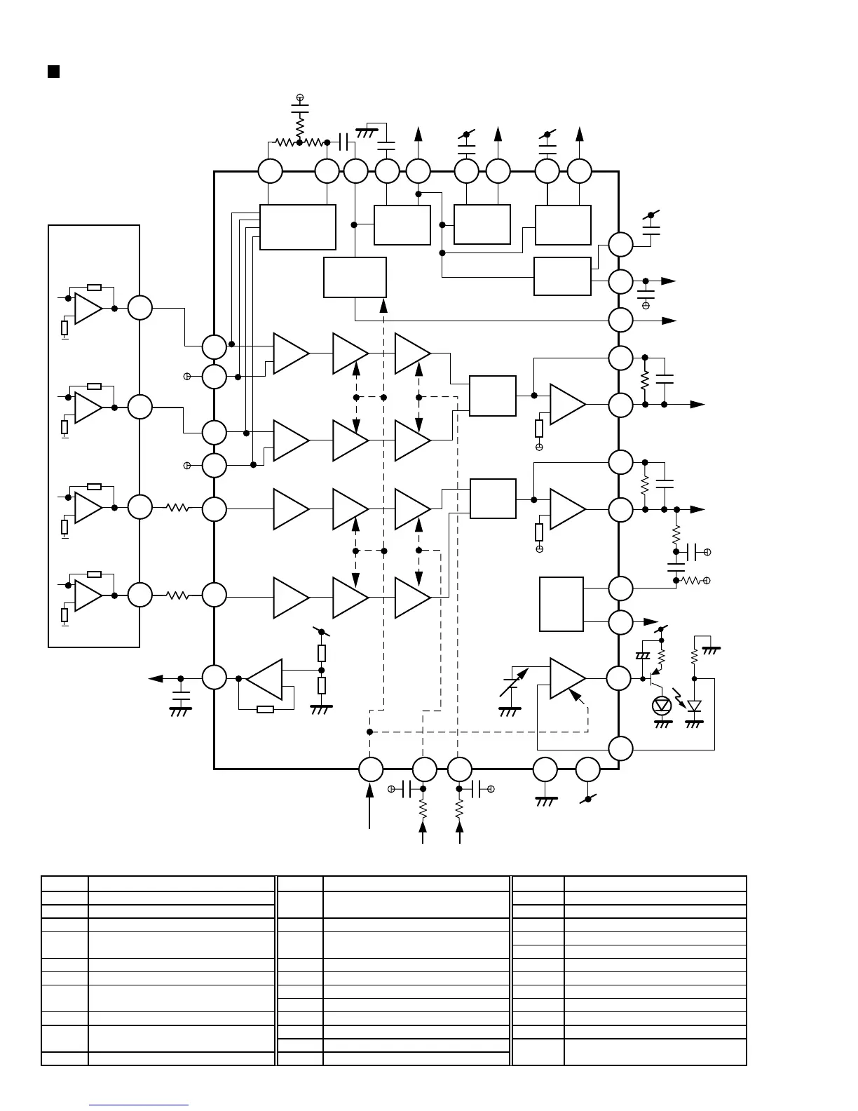
1.Block diagram
2. Pin function
AN22000A-W (IC601) : Digital servo head amp.
Pin No.
1
2
3
4
5
6
7
8
9
10
Function
APC amp. input terminal
APC amp. output terminal
Power terminal
Inversion input terminal
for RF addition amplifier
RF add amp. output terminal
AGC input terminal
Capacity connecting terminal
for AGC loop filer
AGC output terminal
Capacity connecting terminal
for HPF amplifier
3TENV output terminal
Pin No.
22
23
24
25
26
27
28
29
30
31
32
Function
FE amp. reverse input terminal
FE amp. output terminal
GCTL & APC terminal
FBAL control terminal
TBALcontrlo terminal
Tracking signal input terminal 1
Tracking signal input terminal 2
Focus signal input terminal 4
Focus signal input terminal 2
Focus signal input terminal 3
Focus signal input terminal 1
Pin No.
11
12
13
14
15
16
17
18
19
20
21
Function
For envelope detection
at the dark side of RF
BDO output terminal
For envelope detection
at the blight side of RF
OFTR output terminal
NRFDET output terminal
Ground
VRER output terminal
VDET output terminal
VDET input terminal
TE amp. output terminal
TE amp. reverse input terminal

Related product manuals