EasyManua.ls Logo

JVC MX-KB4 - Page 28

JVC MX-KB4
55 pages
Print Icon
To Next Page IconTo Next Page
To Next Page IconTo Next Page
To Previous Page IconTo Previous Page
To Previous Page IconTo Previous Page
Loading...
2-2
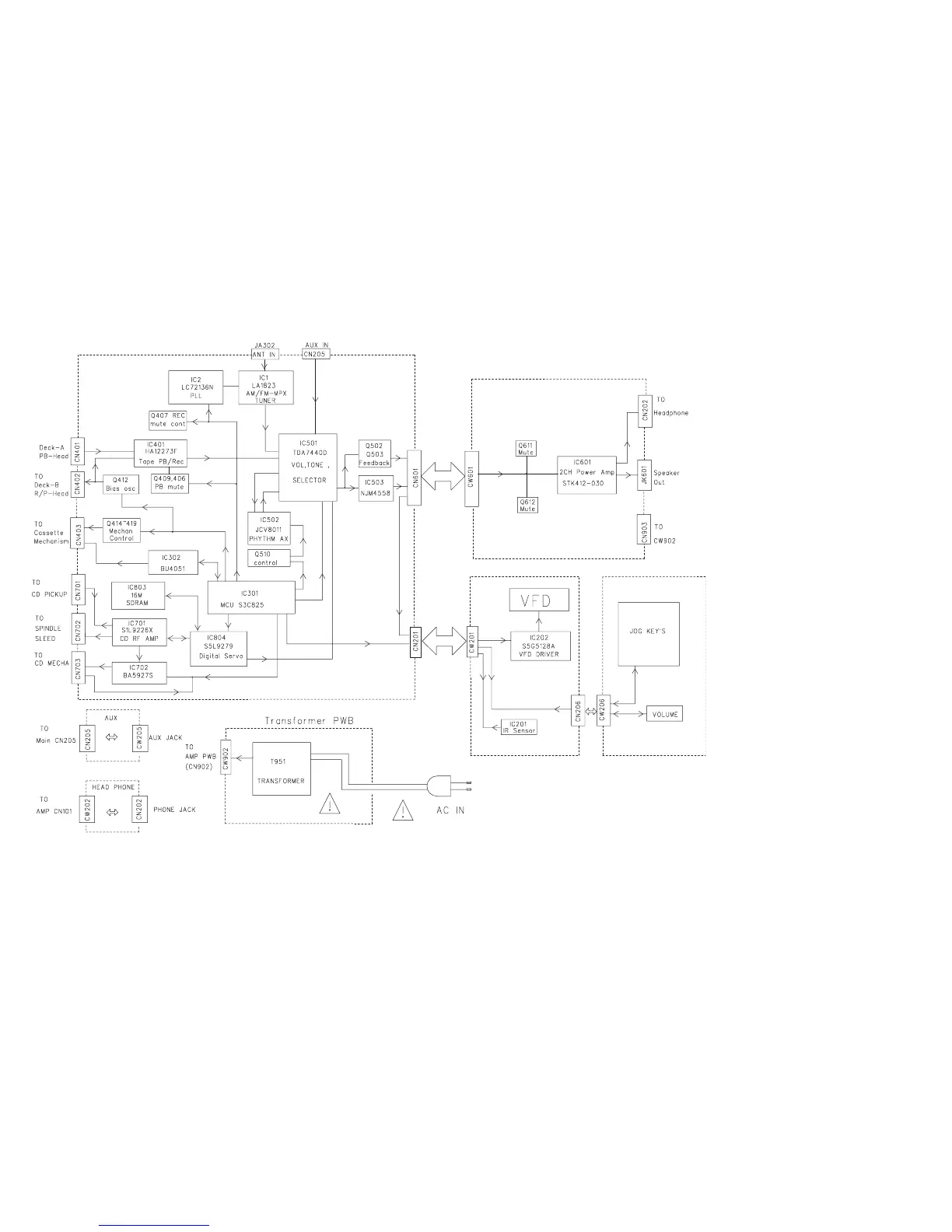
Block diagrams

Related product manuals