EasyManua.ls Logo

JVC SP-MXK30 - Page 35

JVC SP-MXK30
108 pages
To Next Page IconTo Next Page
To Next Page IconTo Next Page
To Previous Page IconTo Previous Page
To Previous Page IconTo Previous Page
Loading...
MX-K30/MX-K10
1-4
ABCD
1
2
3
4
5
6
5
4
3
2
7
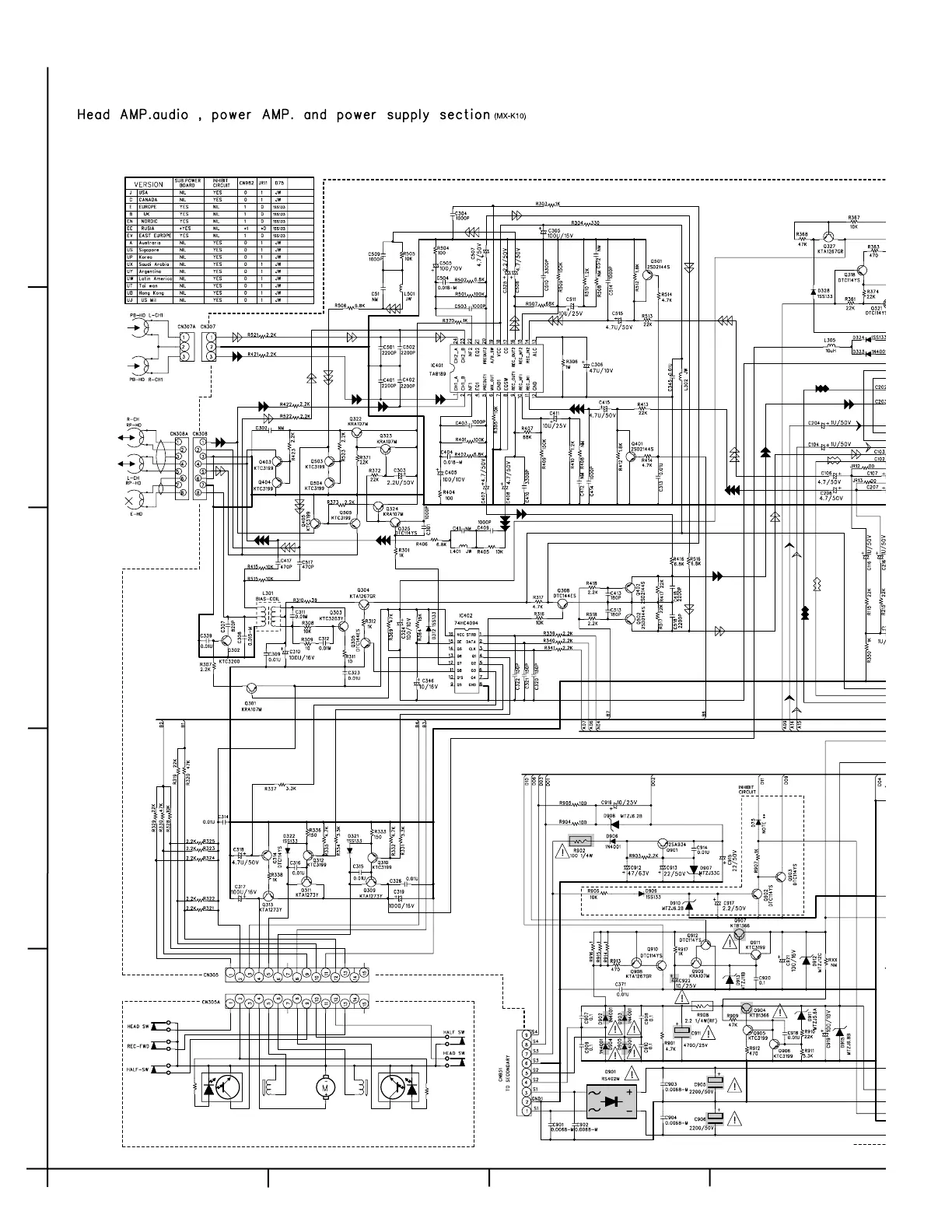
Standard schematic diagrams

Other manuals for JVC SP-MXK30

Related product manuals