EasyManua.ls Logo

JVC SP-MXK30 - Page 37

JVC SP-MXK30
108 pages
To Next Page IconTo Next Page
To Next Page IconTo Next Page
To Previous Page IconTo Previous Page
To Previous Page IconTo Previous Page
Loading...
MX-K30/MX-K10
1-6
ABCD
1
2
3
4
5
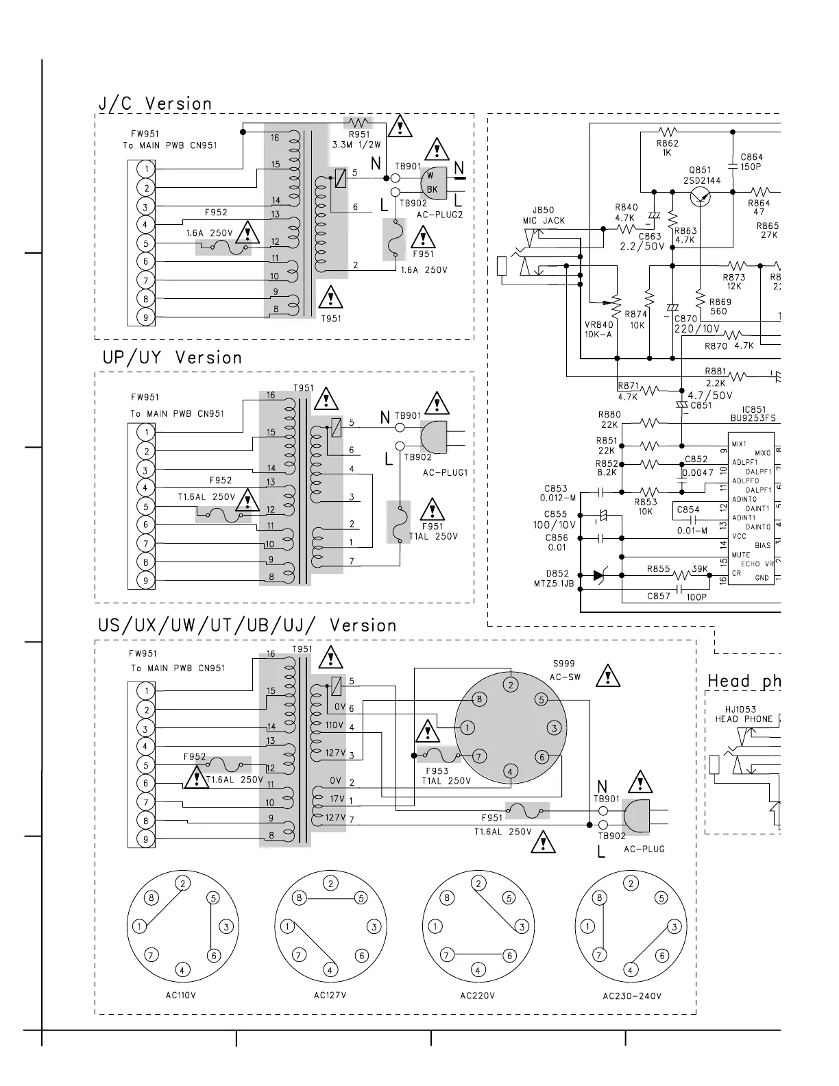
Power transformer section (MX-K10)

Other manuals for JVC SP-MXK30

Related product manuals