EasyManua.ls Logo

JVC TH-A55

JVC TH-A55
73 pages
To Next Page IconTo Next Page
To Next Page IconTo Next Page
To Previous Page IconTo Previous Page
To Previous Page IconTo Previous Page
Loading...
2-8
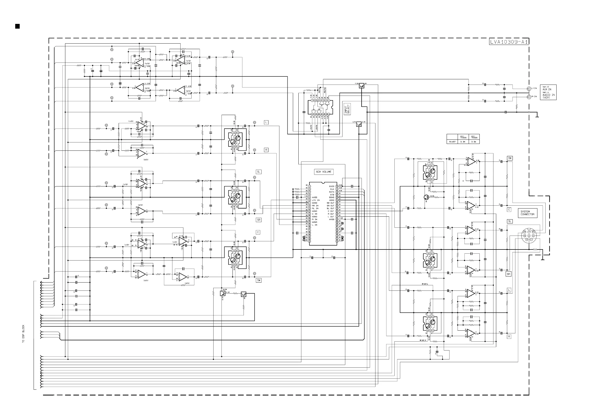
Audio input / output section
(SHEET 5)
IC160
R1154
C1141 C1142
R1252
R1251
Q1252
Q1251
IC159
IC158
C1217
C1218
C1211
C1212
C1210
C1205
R1158
C1215
R1149
C1201
C1202
C1207
R1152
R1150
C1216
C1209
R1141
C1208
C1213
C1214
R1144
R1142
C1203
R1133
C1206
C1204
R1136
R1134
C1225
R482
Q2502
C495
R472
R1101
C1103
C1104
C1226
C1223
C1224
R1201
C1221
C1222
R1202
R471
R476
R475
R474
R473
J1103
R492
R1176
R1102
C1101
R1153
R1173
R1174
R1169
R1170
C2520
C2519
C2555
C2515
C2556
C2513C2517
C2511
C2514
C2518
C2516
R2515
R2513 R2503
R2517
R2501
R2502
R2514
R2516
R2518
C2507
IC511
IC511
C462
TP501
TP502
C2512
C2553
C2503
C2504
R2504
R2525
R2526
R2527
R2528
C2527
C2528
C2575
C2576
R2575
R2576
R2577
R2578
C2577
C2578
C2569
C2570
IC561
IC561
R2564
C2564
C2600
C2563
R2563
R2565
R2566
R2561
R2562
C2561
C2562
C2595
R2595
R2596
R2597
R2598
C2597
C2598
IC591
IC591
C2589
C2590
C2592
R2590
R2594
C2594
IC581
R2584
R2592
R2586
C2583
R2583
R2585R2581
R2582
C2581
C2582
C2554
C2539
R2507
R2509
R2519
R2520
R2508
R2510
IC510
IC510
TP503
C1102
C2584
IC531
IC531
C2531
C2540
C2599
C2532
R2533
R2535
R2537
R2538
R2536
R2534
C2533
C2534
TP504
R467
C458
C2508
TP505
TP506
C460
C461
C463
C459
TP507
TP508
TP509
TP511
C2541
TP517
TP510
TP512
TP518
C2542
TP519
C2601
TP520
TP515
TP514
C2602
C2603
C2604
R2600
R2599
R2580
R2579
R2532
R2531
IC153
IC581
C1128
C1127
C1131
C1130
C1123
C1124
C1122
C1129
C1125
C1126
C1121
R1121
R1122
R1123
C1181
C1252
Q1131
Q1137
Q1135
Q1133
R1147R1148R1139R1140R1131R1132
C1180C1179 C1178C1177
R1157
R1155
C1176
R1151
R1156
R1145
R1143
R1146
Q2581
R1137
R1135
Q2561
R1138
Q2521
R1103R1104
J1101
R1197
R491
R1165R1166
R1163R1164
R1161R1162
R1175
R1171R1172R1168 R1167
C1183
C467
C2525C2526
R2529R2530R2567R2568R2587R2588
R468
C466
Q2501
R483
R481
C1251
IC151
NJM4580M-X
4.7k
47/16 47/16
22k
22k
KRA104S-X
KRA104S-X
NJM4580M-X
NJM4580M-X
4.7/25
4.7/25
4.7/25
4.7/25
4.7/25
4.7/25
100k
4.7/25
470
4.7/25
4.7/25
4.7/25
3.3k
1k
4.7/25
4.7/25
1k
4.7/25
4.7/25
4.7/25
3.3k1k
4.7/25
1k
4.7/25
4.7/25
3.3k1k
470p
10k
KRC107S-X
0.01/16
1k
470
4.7/25
4.7/25
47p
47p
47p
120k
47p
47p
120k
1k
1k
1k
1k
1k
QND0079-001
0
39k
470
330p
470
39k
39k
39k
39k
0.1/16
0.1/16
0.1/16
180p
0.1/16
1800p5600p
0.47/10
1800p
5600p
180p
10K
10K 51K
1k
10K
10K
10K
10K
1k
56p
BA15218F-XE
BA15218F-XE
0.01/16
0.47/10
5600p
4.7/25
4.7/25
51K
1k
1k
100k
100k
4.7/25
4.7/25
0.001
0.001
1k
1k
100k
100k
4.7/25
4.7/25
0.1/16
0.1/16
BA15218F-XE
BA15218F-XE
10k
22p
0.1/16
22p
10k
3.9k
3.9k
100k
100k
1.0/50
1.0/50
0.001
1k
1k
100k
100k
4.7/25
4.7/25
BA15218F-XE
BA15218F-XE
0.1/16
0.1/16
0.0047
33k
33k
0.022
BA15218F-XE
120k
33k
12k
22p
10k
3.9k100k
100k
1.0/50
10/16
5600p
0.1/16
10k
10k
1k
1k
10k
10k
BA15218F-XE
BA15218F-XE
330p
56p
BA15218F-XE
BA15218F-XE
56p
0.1/16
0.1/16
56p
22k
56k
100k
100k
56k
22k
1/50
1/50
10k
0.01/16
56p
47/16
47/16
100/6.3
0.01/16
4.7/25
4.7/25
4.7/25
4.7/25
4.7/25
4.7/25
100k
100k
100k
100k
100k
100k
M62446AFP-X
BA15218F-XE
4.7/25
4.7/25
0.015
0.33/16
0.015
0.33/16
0.0082
0.0082
0.022/16
0.022/16
0.022/16
10k
10k
10k
0.01/16
0.01/16
IMX9-W
2SD2114K/VW/-X
IMX9-WIMX9-W
100k100k100k100k100k100k
0.01/160.01/16 0.01/160.01/16
100k
0.01/16
4.7k
100k
100k
3.3k
100k
IMX9-W
100k
3.3k
IMX9-W
100k
IMX9-W
560k560k
QNN0385-001
470k
0
100k100k
100k100k
100k100k
3.0k
3.3k3.3k3.3k 3.3k
4.7/25
0.1/16
0.0010.001
10k10k10k10k10k10k
10k
47/16
KRA104S-X
1M
2.2k
0.01/16
BU4066BCF-X
TUNERR
AUX
TUNERL
SW.P.ON
A+12V
OUT_L
TUNER
MUTE
A5V
VOL_CK
RIN+
S_MUTE
RIN-
D.GND
A-7V
D5V
VOL_DT
LIN+
VOL_STB
VOL_CK
VOL_DT
LIN+
LIN-
RIN-
RIN+
LOUT1
ROUT1
LOUT2
LIN-
ROUT2
LOUT3
OUT_R
ROUT3
A+7V
ROUT1
A-12V
A.GND
LOUT1
ROUT3
LOUT3
OUT_SL
LOUT2
ROUT2
HP_OUT_L
VOL_STB
OUT_SR
OUT_C
OUT_SW
HP_OUT_R
SHEET 6

Other manuals for JVC TH-A55

Related product manuals