EasyManua.ls Logo

Kanto PMX660 - Remove Arm Plate Screws

Kanto PMX660
20 pages
Print Icon
To Next Page IconTo Next Page
To Next Page IconTo Next Page
To Previous Page IconTo Previous Page
To Previous Page IconTo Previous Page
Loading...
10
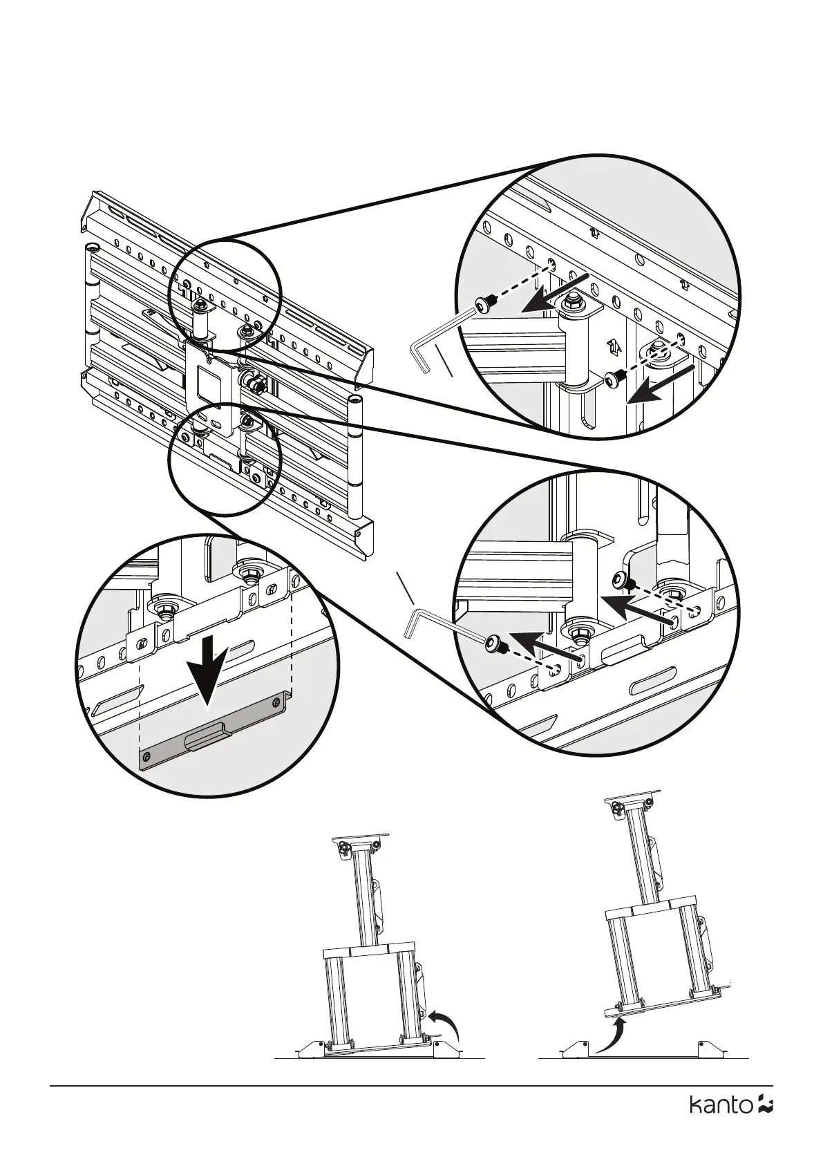
5. Remove Arm Plate Screws
Retirez les vis de la plaque de bras
Retire los tornillos de la placa del brazo
5.1
5.2
5.3
5.4
5.5
Top of the Mount
Sommet de la montagne
Parte de arriba del montaje
O
O

Related product manuals