EasyManua.ls Logo

Kärcher Sensor XP15 - Page 51

Kärcher Sensor XP15
52 pages
Print Icon
To Next Page IconTo Next Page
To Next Page IconTo Next Page
To Previous Page IconTo Previous Page
To Previous Page IconTo Previous Page
Loading...
238.643-387.0 Manual - Karcher Sensor XP15
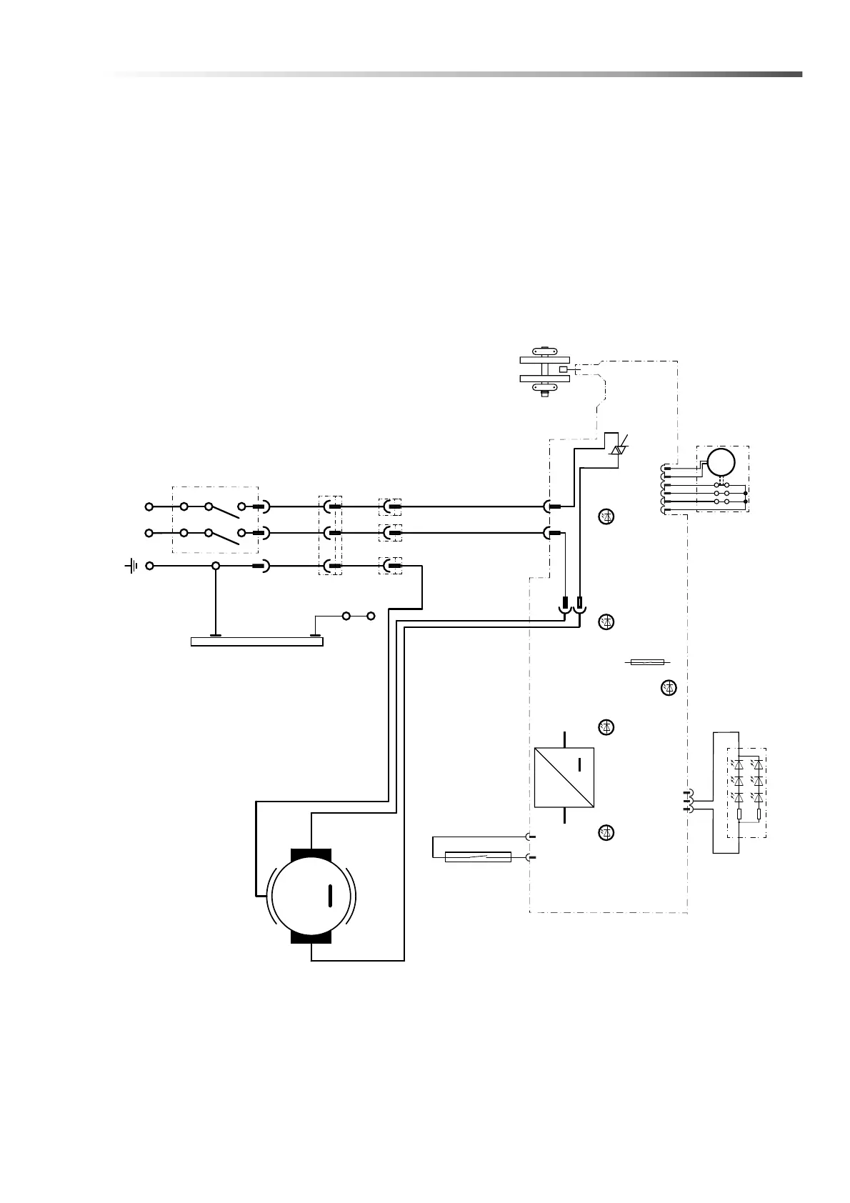
Wiring Diagram
M
M
~
Servo motor 12V
Servomoteur 12V
Servomotor 12V
Vaccum motor
Moteur d‘aspiration
Motor de aspiration
Hall sensor
Sonde de Hall
Sensor de efecto Hall
~
Reed contact swivel switch
Contact à lames souples interrupteur joint
Interruptor giratorio de contacto de lámina
*Not available for professional series
*Non disponible pour la série professionnelle
*No disponible para la serie profesional
Main switch
Interupteur principal
Interruptor principal
Filter housing
Logement sac poussiére
Compartimiento del filtro
Handle tube
Tube de manche
Tubo de la manilla
120V ~
PCB power supply / controller
Circuit imprimé Alimentation / Contrôleur électronique
Fuente de alimentation/Controlador electrónico
© SEBO Stein & Co. 05/2018 RH
Wiring UL approved types WIVXP01, WIVXP02, WIVXP03
Karcher types SR XP12, SR XP15, SR XP18
120 V, 60 Hz, 3-wire
Third contact in US professional machines only
Troisiéme contact seulement dans machines
professionnelles US
Tercer contacto en máquinas profesionales
sólo para EE.UU.
Reed contact / indicator BOOST switch*
Contact à lames souples interrupteur / indicateur BOOST*
Contacto Reed / indicador interruptor BOOST
Head lamp*
Voyant de recherche*
Lámpara frontal*

Related product manuals