EasyManua.ls Logo

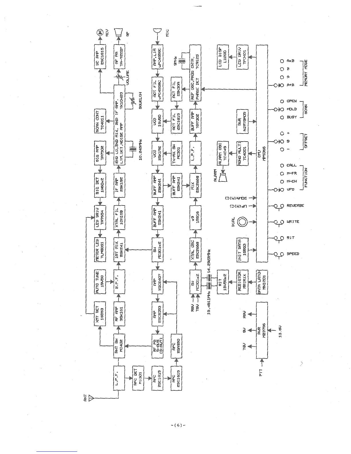
KDK FM-2033 - BLOCK DIAGRAM

KDK FM-2033
21 pages
Print Icon
To Next Page IconTo Next Page
To Next Page IconTo Next Page
To Previous Page IconTo Previous Page
To Previous Page IconTo Previous Page
Loading...

Related product manuals