EasyManua.ls Logo

Keithley 237 - Page 163

Keithley 237
314 pages
Print Icon
To Next Page IconTo Next Page
To Next Page IconTo Next Page
To Previous Page IconTo Previous Page
To Previous Page IconTo Previous Page
Loading...
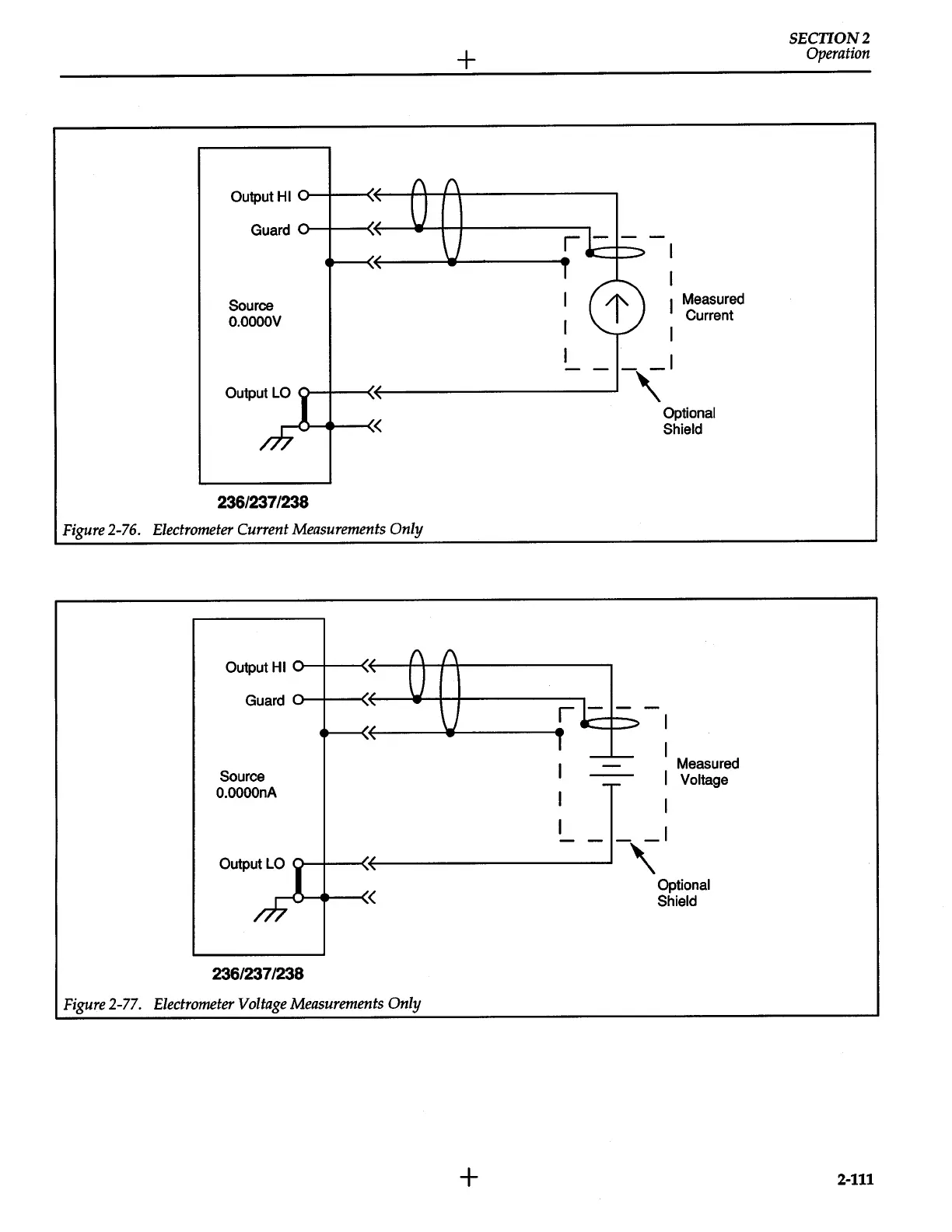
Source
o.oooov
236/237/238
Figure
2-76.
Electrometer
Current
Measurements
Only
"
Output
HI~
'/
''
I
I
Guard
~
//
,,
;;
''
Source
O.OOOOnA
Output LO
i
/~
v
~<
236/237/238
Figure
2-77.
Electrometer
Voltage
Measurements
Only
+
{',
\
-
+
I
-_I
'
Measured
Current
Optional
Shield
rl-
-
-=
::>
T
I
I
I
-
_..___
-
--
_I
Measured
Voltage
-I-
'
Optional
Shield
SECTION2
Operation
2-111

Other manuals for Keithley 237

Related product manuals