EasyManua.ls Logo

Kelso JS75 - Page 4

Kelso JS75
30 pages
Print Icon
To Next Page IconTo Next Page
To Next Page IconTo Next Page
To Previous Page IconTo Previous Page
To Previous Page IconTo Previous Page
Loading...
3
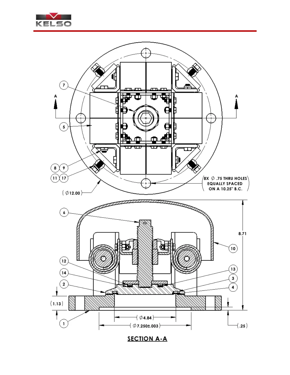
JS PRESSURE RELIEF VALVES
© 2017 Kelso Technologies (USA) Inc. All Kelso Valves are Patent Protected. Detailed designs are subject to change without notice.
Kelso Technologies Inc. 1526 Texas Ave, Bonham, TX. 75418, Phone: (903) 583-9200
Document No. - KTUD112
Revision 6 2/7/2022 (Original Release 12/7/2015)
www.kelsotech.com
Printed in U.S.A.
Figure 1.3.2