EasyManua.ls Logo

Kelvinator 2SF-13 - Wiring Diagram for Chest Models

Kelvinator 2SF-13
40 pages
Print Icon
To Next Page IconTo Next Page
To Next Page IconTo Next Page
To Previous Page IconTo Previous Page
To Previous Page IconTo Previous Page
Loading...
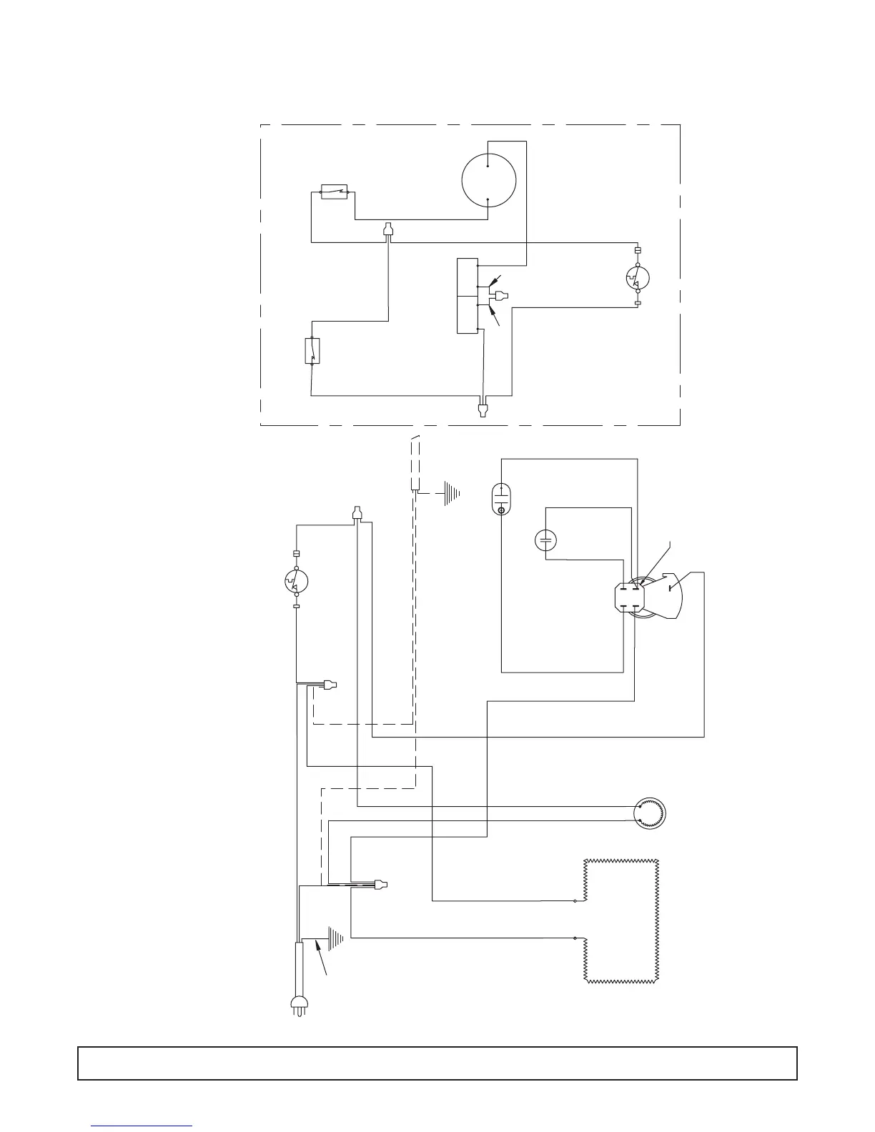
20 WIRING DIAGRAM
Wiring Diagram - Chest Models
26-0959-00
*FOR 220-50 AND 220-60
EXPORT-CONNECT THE BLUE
IN PLACE OF WHITE AND BROWN IN
PLACE OF BLACK.
START CAP.
RUN CAP.
TERMINAL BOX
COMPRESSOR
(PTCR)
FAN MOTOR
TOP HEATER
THERMOSTAT (ALL MODELS EXCEPT
(CLOSE ON RISE)
SERVICE
CORD
SEE ELECTRICAL RATING
PLATE FOR SUPPLY VOLTAGE
AND FREQUENCY.
NOTE:
CABINET MUST BE GROUNDED.
USE COPPER CONDUCTORS ONLY.
FAN USED ON MODELS 10DF,
14DF, HC5, UC744, AND UC744BB.
SUPPLY CORD FOR
ALARM RECORDER ASSY
HC5 AND UC744. USED ON UC744
BLOOD BANK MODELS)
BLOOD BANK MODELS ONLY
THERMOSTAT
SONALERT
(2) 9 V BATTERIES
ALARM TEST
POWER
SWITCH
SWITCH
ALARM ASSEMBLY
HC5 AND STD. UC744 ONLY
26-0959-00 REV. E
BK
BK
BK
BK
BK
BK
BK
RD
RD
BE
YW
BK
BK
BK
BK
YW BK
WE*
BK*
BK
BE
GN
BK
4
1
2
3
-
+
-
+
+
-

Related product manuals