EasyManua.ls Logo

Kelvinator KCHRI54R2DFE - KCHRI54 R2 DRE; KCHRI54 R4 HDR Detailed Wiring

Kelvinator KCHRI54R2DFE
36 pages
Print Icon
To Next Page IconTo Next Page
To Next Page IconTo Next Page
To Previous Page IconTo Previous Page
To Previous Page IconTo Previous Page
Loading...
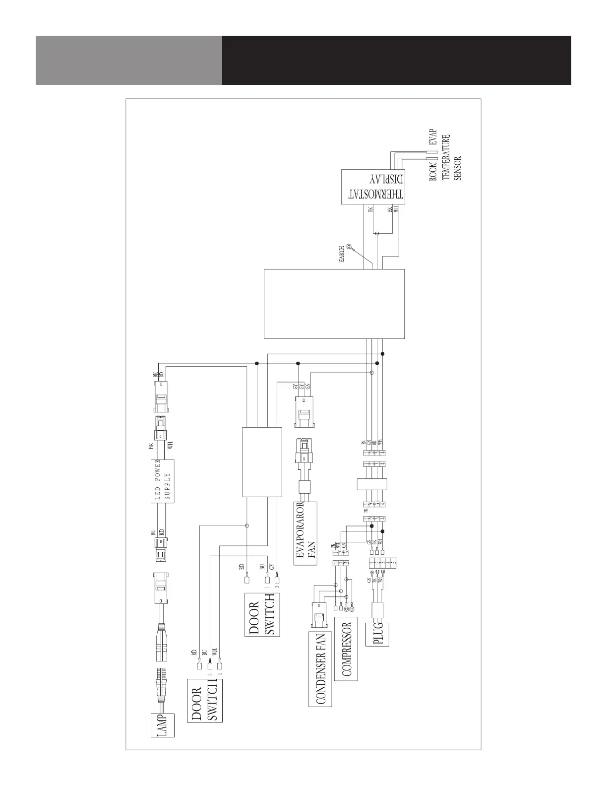
10 REACH-INS REFRIGERATORS/FREEZERS
Wiring Diagram
KCHRI54R2DRE / KCHRI54R4HDR
CALL FACTORY FOR REPLACEMENT PARTS:
866-339-8515

Related product manuals