EasyManua.ls Logo

Kelvinator KCHRI54R2DFE - Page 28

Kelvinator KCHRI54R2DFE
36 pages
Print Icon
To Next Page IconTo Next Page
To Next Page IconTo Next Page
To Previous Page IconTo Previous Page
To Previous Page IconTo Previous Page
Loading...
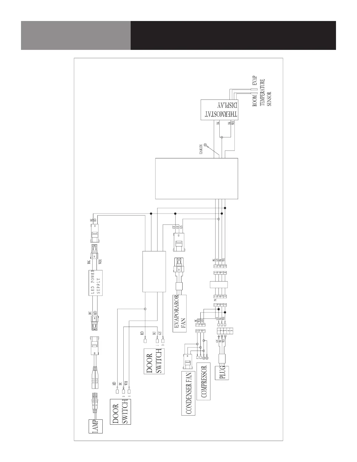
10 NEVERAS/CONGELADORES ESTRECHOS
Diagrama de cableado
KCHRI54R2DRE / KCHRI54R4HDR
LLAME A LA FÁBRICA SI NECESITA REPUESTOS:
866-339-8515

Related product manuals