EasyManua.ls Logo

Kenmore 417.93702201 - Dryer Upper Cabinet, Drum, Heater Parts

Kenmore 417.93702201
15 pages
Print Icon
To Next Page IconTo Next Page
To Next Page IconTo Next Page
To Previous Page IconTo Previous Page
To Previous Page IconTo Previous Page
Loading...
05/03 2
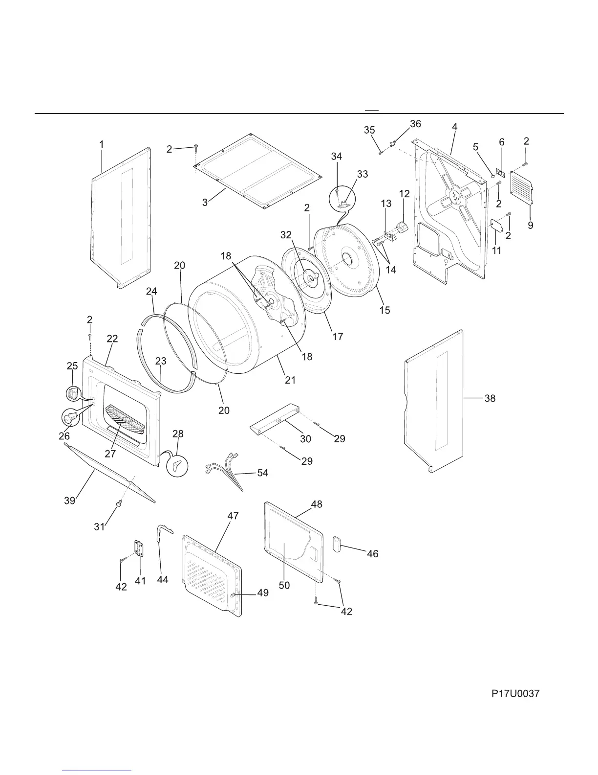
417.93702201
CAUTION: Use the Kenmore part number to order parts, not
the illustration number.
UPPER CABINET / DRUM / HEATER

Related product manuals