EasyManua.ls Logo

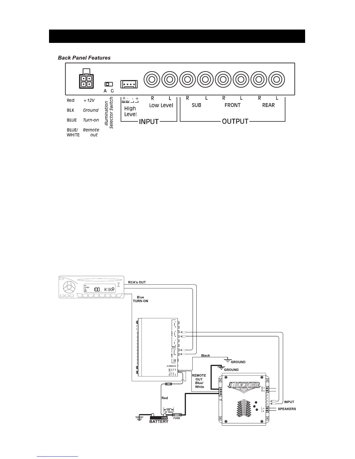
Kicker KQ9 - Wiring Configurations; Back Panel Features

Kicker KQ9
8 pages
Print Icon
To Next Page IconTo Next Page
To Next Page IconTo Next Page
To Previous Page IconTo Previous Page
To Previous Page IconTo Previous Page
Loading...
Wiring Configurations
2
Power connection is quite simple for the Kicker KQ9. The red wire connects to
a constant source of +12 volts and the black wire connects to ground. There are
two other wires that are part of the turn-on circuitry. The solid blue wire con-
nects to the turn-on connection on your head unit. In the event you don’t have
an amplifier turn-on connection on your head unit, this wire can be hooked to a
switched source of +12 volts such as an accessory wire. The blue wire with a
white stripe is the turn-on output wire. It can be used to turn on on your ampli-
fier(s).
The Kicker KQ9 equalizer is designed to go inline from the head unit to the
amplifier(s). Low level RCA and high level (speaker level) inputs are provided for
universal connection to a variety of different head units.
The output RCAs may be used for one, two or three amplifiers. The most basic
system will use the Front outputs only. Shown below.